仕様
- 電流消費
- MRSS29DR-001センサ:1mA
- MRSS29Eセンサの最大定格: 1.5µA
- 動作温度範囲
- -40°C~+80°C(MRSS29DR - 001センサ)
- -40°C~+85°C(MRSS29Eセンサ)
- 電源電圧範囲:3.5V~30V
- 0.3V~0.5Vの低レベル出力電圧
- 11V~11.4Vの高レベル出力電圧
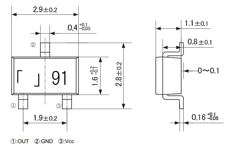
MRSS29DR-001の寸法とスキーム図
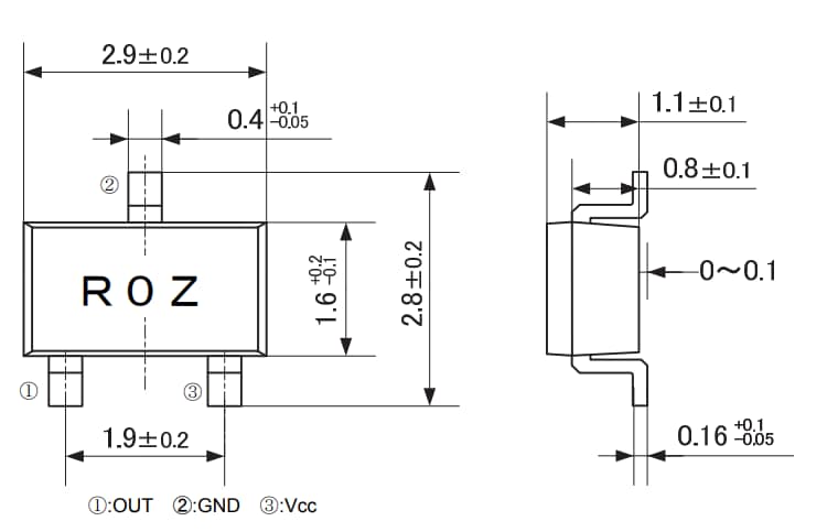
MRSS29Eの寸法とスキーム図
公開: 2021-03-18
| 更新済み: 2022-03-11

