Murata Power Solutions NCS12 Isolated 12W 4:1 Input DC/DC Converters
Murata Power Solutions NCS12 Isolated 12W 4:1 Input DC/DC Converters offer single and dual output voltages from input voltage ranges of 9V to 36V and 18V to 75V. NCS12 devices are housed in an industry-standard package with a standard pinout and are packaged in a metal case for improved EMI shielding. These Murata Power Solutions DC/DC converters are also encapsulated for superior thermal performance. Applications include telecommunications, battery-powered systems, process control, and distributed power systems.Features
- UL 60950 recognition pending
- 4:1 wide range voltage input
- Operating temperature range of -40°C to +85°C
- Typical load regulation from 0.05%
- 1.5kVDC isolation
- 3.3V, 5V, 12V, and 15V outputs
- UL 94V-0 package materials
- No electrolytic capacitors
- Thermal shutdown
- Undervoltage lock out
- Current fold back
Applications
- Telecommunications
- Battery powered systems
- Process control
- Distributed power systems
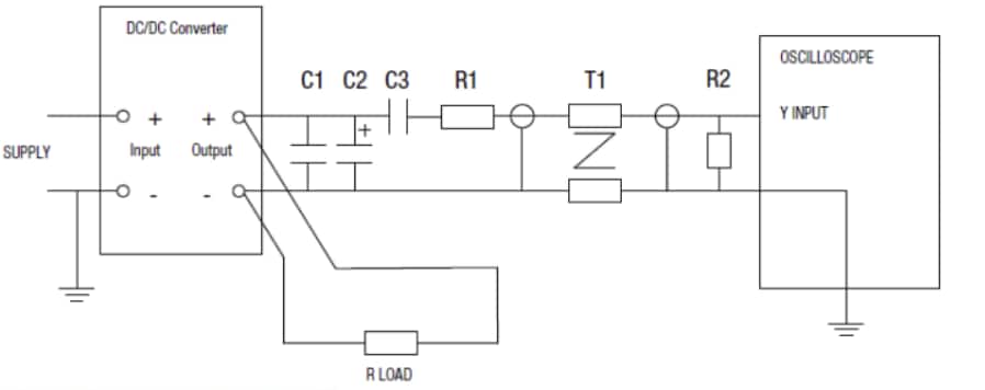
Differential Mode Noise Test Schematic
公開: 2013-10-22
| 更新済み: 2022-03-11
