Nexperia 74HCS595 8ビット・シフトレジスタ
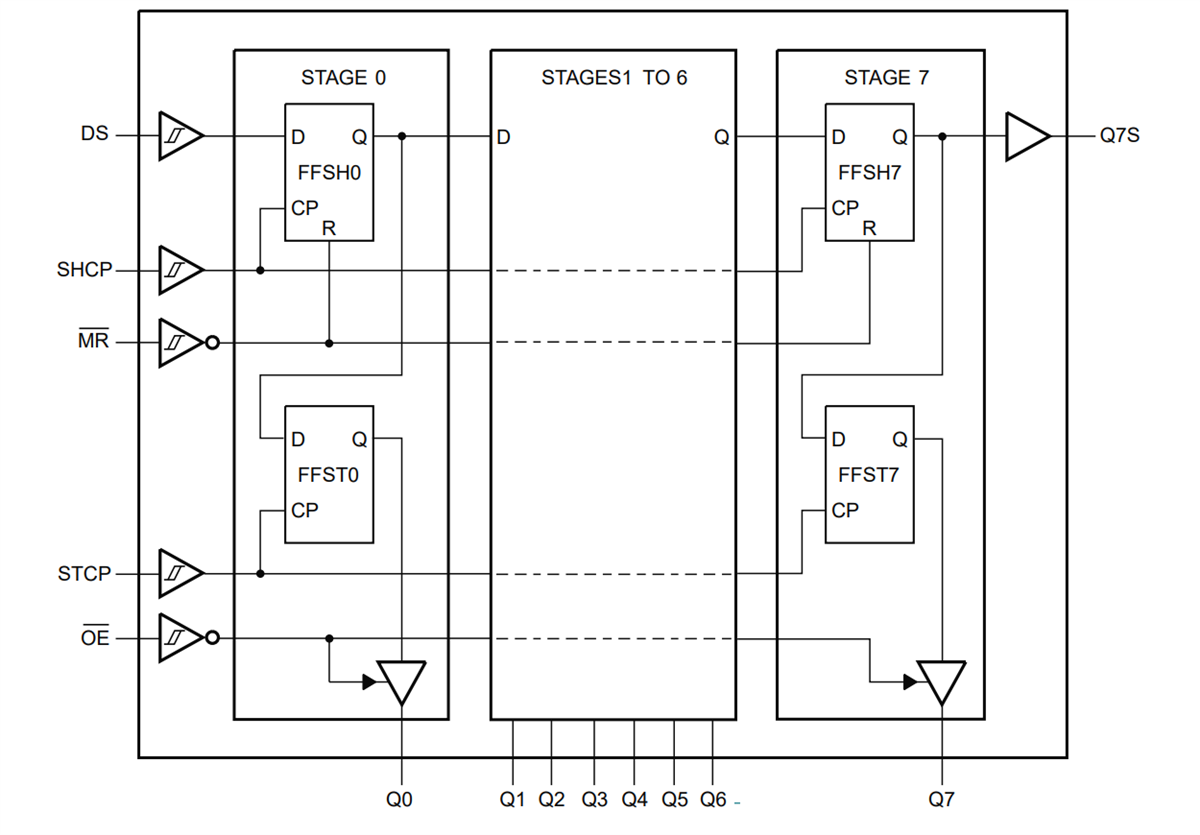
Nexperia 74HCS595 8ビット・シフトレジスタは、ストレージレジスタに8つの3ステート出力があり、シフトレジスタとストレージレジスタの両方に個別のクロックがあります。8ビット・シリアルイン/シリアルまたはパラレルアウト・シフトレジスタが含まれており、(シフトレジスタには)カスケーディングおよび非同期リセットMR入力用のシリアル入力(DS)ピン、シリアル出力(Q7S)ピンがあります。さらに、MRの「LOW」によってシフトレジスタがリセットされ、データはSHCP入力の「LOW」から「HIGH」に遷移でシフトされます(切り替わります)。両方のクロックが相互接続された場合、シフトレジスタの状態は常にストレージレジスタよりも1クロック・パルス分先行します。出力イネーブル入力 (OE) が「LOW」の場合は常に、ストレージレジスタ内のデータが出力に反映されます。OEが「HIGH」の場合、出力は高インピーダンスOFF状態とみなされるため、OE入力の操作がレジスタの状態に影響を及ぼすことはありません。入力にはクランプダイオードが配置されています。これにより、電流制限抵抗器を使用して入力をVCC を超える電圧との接続において電流制限抵抗を使用することが可能です。すべての入力はシュミットトリガ入力です。ゆっくり変化する入力信号を、明確に定義されたジッタフリー出力信号に変換できます。
Nexperia 74HCS595-Q100 8ビット・シフトレジスタは、AEC-Q100 グレード1認定済みです。また、-40°C~+85°Cおよび-40°C~+125°Cに動作が規定されています。
特徴
- AEC-Q100 Grade 1に準拠した車載製品認定(74HCS595-Q100)
- -40°C~+85°Cと-40°C~+125°Cまで対応
- 2,0V~6,0Vの広い電源電圧範囲
- シュミットトリガ入力
- 低電力消費
- 標準供給電流(ICC):100nA
- 標準リーク電流 (II):±10nA
- ±7.8mAで6V出力ドライブ
- 8ビット・シリアル入力および8ビットシリアルまたはパラレル出力
- ストレージレジスタ:3ステート出力機能を搭載
- シフトレジスタ:直接クリア(ピン)付き
- ラッチアップ性能:JESD 78 Class II Level B準拠、100mA超過
- JESD7AのJEDEC規格に準拠(2.0V~6.0V)
- ESD保護:
- HBM ANSI/ESDA/JEDEC JS-001 class 3A、4000V超過
- CDM ANSI/ESDA/JEDEC JS-002 class C3、1500V超過
- 複数のパッケージオプション
アプリケーション
- シリアル-パラレルデータ変換
- リモート制御保持レジスタ
- 出力拡張
- LEDマトリックス制御
- 7セグメントディスプレイ制御
- 8ビットデータストレージ
データシート
ブロック図
公開: 2025-06-20
| 更新済み: 2025-07-15
