Nexperia 74LVC8T595変換シフトレジスタ
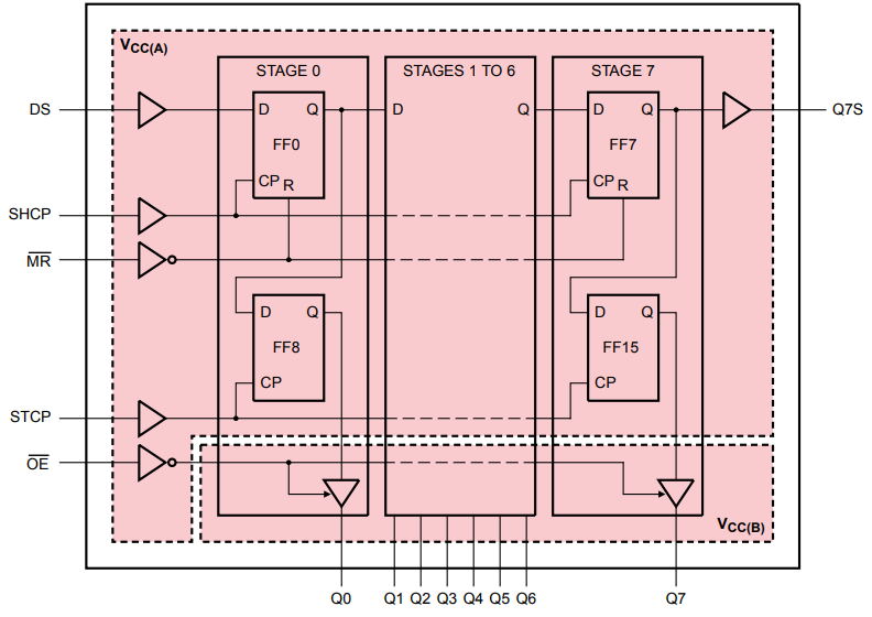
Nexperia 74LVC8T595変換シフト・レジスタは、デュアル供給8ビット・シリアル入力/シリアルまたはパラレル出力シフトレジスタで、ストレージレジスタと3つのステート出力が備わっています。これらの低消費電力CMOSソリューションは、1.1V~5.5Vに完全指定されており、低電圧MCUを旧来の周辺機器にインターフェイス接続することを目的としています。74LVC8T595レジスタのシフト・レジスタおよびストレージ・レジスタには個別のクロックがあり、データはSHCP入力の正方向の遷移でシフトされます。シフトレジスタにあるデータは、STCP入力の正方向遷移時に、ストレージレジスタに転送されます。両方のクロックが接続されている場合、シフトレジスタは、ストレージレジスタよりも常に1クロックパルス分だけ先に進みます。特徴
- 幅広い電源電圧範囲:
- VCC(A): 1.1V~5.5V
- VCC(B): 1.1V~5.5V
- 高ノイズ耐性
- JEDEC規格準拠:
- JESD8-12A(1.1V~1.3V)
- JESD8-11A(1.4V~1.6V)
- JESD8-7(1.65V~1.95V)
- JESD8-5(2.3V~2.7V)
- JESD8C (3.0V~3.6V)
- JESD12-6(4.5V~5.5V)
- ESD保護:
- HBM ANSI/ESDA/JEDEC JS-001 Class 3Aは4000Vを超過
- CDM JESD22-C101Eは1000 Vを超過
- サスペンド・モード
- ラッチアップ性能は、JESD 78 Class II準拠の100mA超
- ±24mA出力ドライブ(VCC(A) = VCC(B) = 3.0V)
- 入力は5.5Vまでの電圧に対応
- IOFF回路によりパーシャルパワーダウンモード動作が可能
- 複数のパッケージオプション
- -40°C~+85°C、-40°C~+125°Cから指定
論理図
追加リソース
公開: 2018-05-08
| 更新済み: 2023-03-15
