Nexperia NEVB-NID5100評価ボード

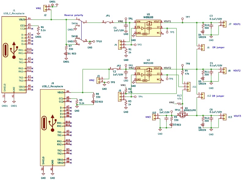
Nexperia   NEVB-NID5100評価ボードは、2層プリント回路ボード(PCB)で、NID5100理想ダイオード2個とPMOSトランジスタ1台が装備されています。このボードは、OR-ing、外部PMOSトランジスタを用いたOR-ing、優先順位OR-ing、逆極性保護といったさまざまな使用事例全体で性能を評価します。NEVB-NID5100評価ボードは、1.2V ~ 5.5V入力動作電圧範囲および1.5A連続出力電流が特徴です。このボードには、3つの供給入力と2つの追加のUSB-C™ 供給入力が含まれています。

特徴

  • 入力動作電圧範囲(VIN):1.2V~5.5V
  • 1.5A 連続出力電流
  • 3つの供給入力
  • 2つの追加のUSB-C™供給入力
  • すべてのデバイスピンへのアクセス
  • ジャンパを使用したケースの選択

スキーム図

回路図 - Nexperia NEVB-NID5100評価ボード
公開: 2024-08-06 | 更新済み: 2024-08-29