Nexperia NEX13120-Q100 車載用リニアLEDドライバ
Nexperia NEX13120-Q100 12チャンネル車載用リニアLEDドライバはAEC-Q100 グレード1認定済みで、ハイサイドアプリケーション向けに設計されています。Nexperia NEX13120-Q100は、PWMおよびアナログ調光機能により、チャンネルあたり最大100mAの出力電流をサポートし、正確な制御と高い精度を保証します。このLEDドライバは、長距離通信のためにCAN上にUART(UART over CAN)を内蔵しているため、車載用エクステリア照明システムに最適です。さらに、このコンポーネントは、フェイルセーフ動作のための設定可能なウォッチドッグとともに、LEDオープン回路、グランドへの短絡、およびシングルLED短絡検出のための診断機能を備えています。特徴
- 車載アプリケーション向けにAEC-Q100認定済み、-40°C〜+125°Cの範囲で仕様規定
- 機能安全対応
- 12チャンネル高精度高圧側電流出力:
- VBAT :4.5V~36V、VS :3.8V~36V
- 各チャンネルで最大100mAの電流
- 2ビットグローバル、6ビット独立電流設定
- 電流精度:18mA〜100mAまでで±5%以内
- 低い電圧降下:100mA時で600mV
- 12ビット独立PWM調光
- プログラム可能なPWM周波数:50Hz〜23.4kHz
- 線形および指数調光方式
- UARTインターフェイス内蔵
- 最速2Mbit/s+データレート
- UARTデータ形式をサポート
- レジスタで設定された27個のスレーブアドレスをサポート
- HTSSOP24(SOT8083-1)熱強化薄型シュリンク スモール アウトライン パッケージ、24ピン、本体サイズは7.8mm x 4.4mm x 1.2mm
- 診断および保護
- プログラム可能なフェイルセーフ状態
- LEDオープン回路検出
- LED短絡検出
- シングルLED短絡診断
- プログラム可能な低VS 検出
- 故障表示用オープンドレインFLTピン
- データライン用ウォッチドッグおよびCRC
- MTP ECCチェック
- ピン電圧測定用8ビットADC
- 過熱保護
- ESD保護
- HBM:ANSI/ESDA/JEDEC JS-001 クラス2準拠で2000V超
- CDM:ANSI/ESDA/JEDEC JS-002 クラスC2a準拠で500V超
アプリケーション
- 車載用エクステリア照明
- 車載用外装ヘッドライト
ビデオ
標準アプリケーション回路
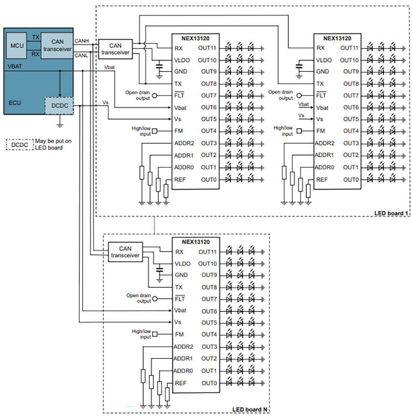
アプリケーション ブロック図
公開: 2025-04-07
| 更新済み: 2025-08-10
