Nexperia NXB0104 AutoSense変換トランシーバ
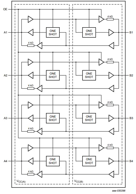
Nexperia NXB0104 AutoSenseデュアルサプライ変換トランシーバは、双方向電圧レベル変換を実現できる自動方向センシングが特徴です。これらのトランシーバには、4ビット入力-出力ポート2個(AnとBn)、出力イネーブル入力(OE)1つ、供給ピン(VCC(A)およびVCC(B))2本が備わっています。VCC(A)は、1.2V~3.6Vの間の任意の電圧で供給できます。他方、VCC(B)は、1.65V~5.5Vの間の任意の電圧で供給できます。これらの機能によって、低電圧ノード(1.2V、1.5V、1.8V、2.5V、3.3V、5.0V)間の変換に適しています。デバイスは、IOFFを使用すると部分的なパワーダウンアプリケーション用に規定されます。NXB0104-Q100は、車載電子部品評議会(AEC)標準Q100(グレード1)の認定を受けており、車載アプリケーションでの使用に適しています。The Nexperia NXB0104-Q100 has qualified for the Automotive Electronics Council (AEC) standard Q100 (Grade 1) and is suitable for automotive applications.
特徴
- 幅広い電源電圧範囲:
- VCC(A): 1.2V~3.6V、VCC(B): 1.65V~5.5V
- IOFF回路によりパーシャルパワーダウンモード動作が可能
- 入力は5.5Vまでの電圧に対応
- ESD保護:
- HBM: ANSI/ESDA/Jedec JS-001 Class 2は2.5kV超(Aポート)
- HBM: ANSI/ESDA/Jedec JS-001 Class 3Bは15kV超(Bポート)
- CDM: ANSI/ESDA/Jedec JS-002 Class C3は1.5kV超
- ラッチアップ性能は100mA超(JESD78BClass IIによる)
- NXB0104-Q100
- ESD保護:
- MIL-STD-883、Method 3015 Class 2は、Aポートで2.5kV超
- MIL-STD-883、Method 3015 Class 3Bは、Bポートで15kV超
- AEC-Q100に基づく自動車用製品認定(Grade 1)
- -40°C~+85°Cと-40°C~+125°Cまで対応
ブロック図
公開: 2019-12-04
| 更新済み: 2023-05-05
