Nexperia NXS0104デュアルサプライ変換トランシーバ
Nexperia NXS0104デュアル供給変換トランシーバは、4ビット、オープンドレイン、自動方向センシングデバイスが特徴で、双方向電圧レベル変換が可能です。これらのトランシーバは、4ビット入出力ポート2個(An、Bn)、出力イネーブル入力 (OE) 1個、供給ピン2本(VCC(A)、VCC(B))が特徴です。NXS0104トランシーバは、IOFFを使用した部分的なパワーダウン・アプリケーションに完全指定されています。IOFF回路は出力を解除し、電源が切れた時にデバイスを通る逆流電流による破損を防止します。これらのトランシーバは、デスクトップPC、ハンドセット、スマートフォン、タブレットでの使用に最適です。特徴
- 幅広い電源電圧範囲:
- VCC(A)範囲: 1.65V~3.6V
- VCC(B): 2.3V~5.5V
- 最大データ転送速度:
- 24Mbpsのプッシュ-プル
- IOFF回路によりパーシャルパワーダウンモード動作が可能
- 入力は5.5Vまでの電圧に対応
- ラッチアップ性能は100mA超(JESD78BClass IIによる)
- 複数のパッケージオプション
- 指定温度範囲: -40°C~85°Cおよび-40°C~125°C
- ESD保護:
- HBM: ANSI/ESDA/Jedec JS-001 Class 2は2.5kV超(Aポート)
- HBM: ANSI/ESDA/Jedec JS-001 Class 3Bは15kV超(Bポート)
- CDM: ANSI/ESDA/Jedec JS-002 Class C3は1.5kV超
- IEC61000-4-2接触放電は8000V超(Bポート)
アプリケーション
- デスクトップPC
- ハンドセット
- スマートフォン
- タブレット
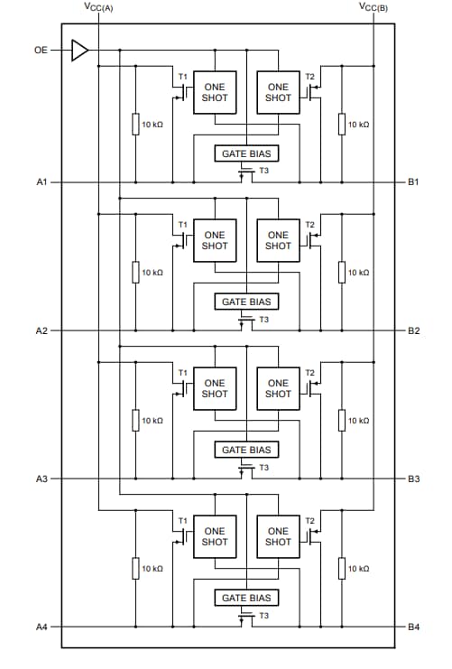
標準操作回路
NXS0104アーキテクチャ
機能図
View Results ( 6 ) Page
| 部品番号 | データシート | パッケージ/ケース | 認証 | 伝搬遅延時間 |
|---|---|---|---|---|
| NXS0104BQ-Q100X | ![]() |
DHVQFN-14 | AEC-Q100 | 4.7 ns, 7 ns |
| NXS0104BQX | ![]() |
DHVQFN-14 | 5.8 ns | |
| NXS0104GU12X | ![]() |
XQFN-12 | 5.8 ns | |
| NXS0104PW-Q100J | ![]() |
TSSOP-14 | AEC-Q100 | 5.8 ns |
| NXS0104PWJ | ![]() |
TSSOP-14 | 5.8 ns | |
| NXS0104GU12-Q100X | ![]() |
XQFN-12 | AEC-Q100 | 5.5 ns |
公開: 2019-05-31
| 更新済み: 2023-05-01

