Nexperia SOT8009表面実装パッケージ製品
ネクスペリア (Nexperia) SOT8009表面実装パッケージ製品は、プラスチック、リードレス超小型外形パッケージになっており、サイドウェッタブルフランク(SWF)が備わっています。SOT8009パッケージは、3つの端子、1.4mm x 1.2mm x 0.48mmボディの0.8mmピッチが特徴です。SOT8009製品には、DFN1412D-3記述コードおよびUSON(超薄型小型外形、リードなし)パッケージスタイルが採用されています。SOT8009 表面実装パッケージ製品は、2mm x 1.7mmのフットプリント、および3.4mm2 のフットプリント面積をサポートしています。特徴
- B(下部)端子位置コード
- DFN1412D-3パッケージタイプの記述コード
- DFN1412D-3パッケージタイプの業界コード
- USON(超薄型小型外形、リードなし)パッケージスタイルの記述コード
- P(プラスチック)パッケージ本体材料タイプ
- MO-340CA JEDECパッケージの外形コード
- S(表面実装)取付タイプ
- パッケージ外形の詳細グラフィックリファレンスなし
- 発行日:2019年12月6日
- SOT8009メーカーのパッケージコード
- フットプリント寸法:2mm x 1.7mm
- フットプリント面積:3.4mm2
パッケージの概要
ビデオ
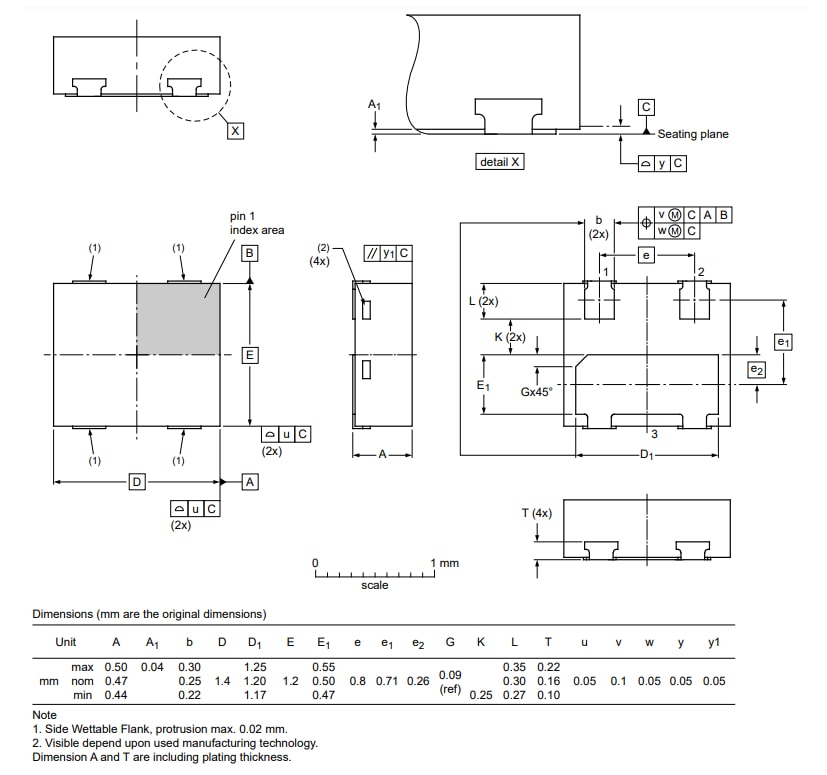
パッケージ外形図
公開: 2022-07-21
| 更新済み: 2025-12-18
