特徴
- NT1191の特徴
- 周波数範囲: 1164MHz~1610MHz
- 1.5V ~ 5.5V (標準3.3V) 電源電圧
- 標準5.5mA 消費電流
- 標準17.5dB @ L1/2/5/6 ゲインバンド
- NF 0.75dB標準 @ L1/2/5/6 バンド
- 標準P-1 dB (IN) -10dBm @ L1/2/5/6 バンド
- IIP3 0dBm標準 @ L1/2/5/6 バンド
- スタンバイ機能モード付き
- 標準1.6mm x 1.6mm x 0.78mm サイズパッケージ
- RoHS準拠でハロゲンなし、MSL1
- NT1192の特徴
- 周波数範囲: 1164MHz~1300MHz
- 1.5V ~ 3.7V (標準2.8V) 電源電圧
- 標準4.5mA 低電流
- 高ゲイン
- 標準20.0dB@ f = 1176MHz
- 標準20.0dB@ f = 1227MHz
- 標準19.5dB@ f = 1278MHz
- 低NF
- 標準0.7dB@ f = 1176MHz
- 標準0.7dB@ f = 1227MHz
- 標準0.7dB@ f = 1278MHz
- P-1 dB(IN)
- 標準-13.5dBm@ f = 1176MHz
- 標準-13.0dBm@ f = 1227MHz
- 標準-13.0dBm@ f = 1278MHz
- 標準0.7mm x 1.1mm x 0.37mm 小型パッケージ サイズ
- RoHS準拠でハロゲンなし、MSL1
- NJG1186PJLの特徴
- 1164 ~ 1228MHz (L5/E5/B2/G3/L2C) 広い動作周波数範囲
- 電源電圧2.8V標準
- 消費電流
- 標準4.8mA
- 高ゲイン
- 標準19.5dB @ f = 1164 ~ 1214MHz
- 標準19.0dB @ f = 1228MHz
- 低ノイズ値
- 標準1.7dB @ f = 1164 ~ 1214MHz
- 標準2.0dB @ f = 1228MHz
- 1176MHzに対する高出力のバンド除去
- 標準45dBc @ f = 704 ~ 915MHz
- 標準50dBc @ f = 1559 ~ 1606MHz
- 標準55dBc @ f = 1710 ~ 1980MHz
- 標準67dBc @ f = 2400 ~ 2500MHz
- 統合プリSAW フィルタおよびLNA
- 信頼性の高い金属密閉パッケージ
- 1.57mmx1.23mm標準、t =0.47mm最高
- RoHS準拠でハロゲンなし、MSL1
アプリケーション
- GPS、GLONASS、北斗、Galileo
- GNSS L5/L2C バンドアプリケーション
- GNSSアクティブ・アンテナ
- GNSSモジュール
- 追跡装置
- タイミングモジュール
- 高精度位置用のマルチGNSSアプリケーション
- アクティブアンテナ、カーナビ、ダッシュボードカメラ、ドローン
ビデオ
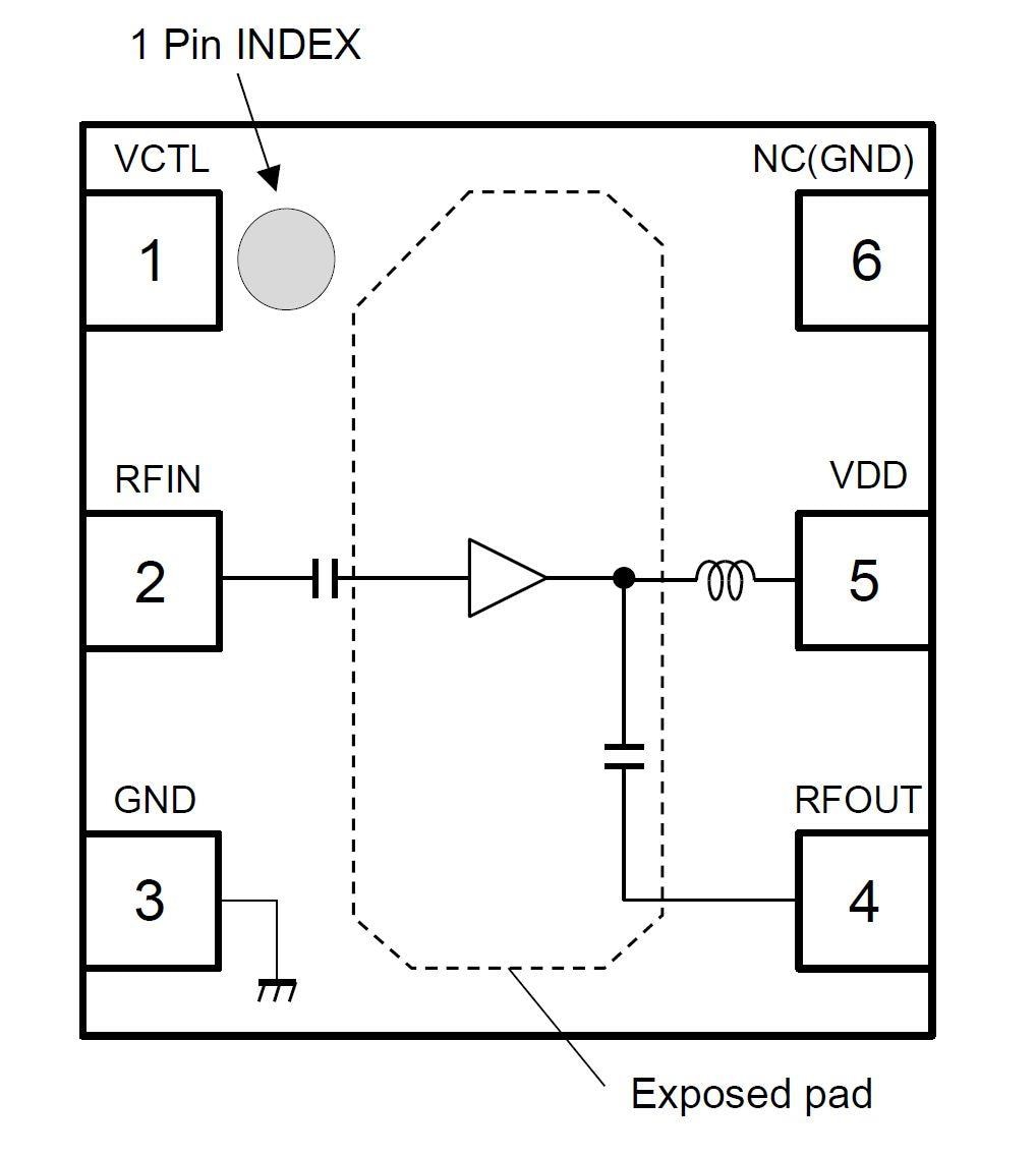
PIN LAYOUT
View Results ( 3 ) Page
| 部品番号 | データシート | 説明 |
|---|---|---|
| NJG1186PJL-TE1 | ![]() |
RFフロントエンド |
| NT1191GEAE3S | ![]() |
RF 増幅器 |
| NT1192FAAE1S | ![]() |
RF 増幅器 |
公開: 2022-09-27
| 更新済み: 2024-04-01


