Nisshinbo NJM290xBクアッド/デュアル車載用オペアンプ
Nisshinbo NJM2904B/NJM2902Bクアッド/デュアル車載用オペアンプは、高電磁両立性(EMC)性能を備えた単電源対応の汎用オペアンプです。これらのオペアンプは、3Vから36Vの動作電圧範囲、電磁妨害フィルタ(EMI)内蔵、0.4V/µsの標準スルーレート、およびユニティゲイン安定性を特長としています。NJM2904B/NJM2902Bアンプは、0.5mVの入力オフセット電圧、-40℃から+125℃の動作温度範囲、バイポーラプロセスも特徴としています。NJM2904B/NJM2902Bオペアンプは、車載用途に最適です。NJM2904BアンプはAEC-Q100グレード1に準拠しており、NJM2902BアンプはAEC-Q100グレード1の認定取得中です。特徴
- オプションのデュアルまたはクアッド バージョン
- EMIフィルタ内蔵
- 高いノイズ耐性
- ユニティゲイン安定性
- バイポーラプロセス
-
アプリケーション
- 車載一般用
仕様
- 動作電圧範囲:+3V~+36V
- 標準入力オフセット電圧:0.5mV
- 標準スルーレート:0.4V/μs
- ユニティゲイン安定性
- バイポーラプロセス
- NJM2904B; AEC-Q100グレード1準拠
- NJM2902B; AEC-Q100グレード1取得中
- 消費電流
- 0.7mA(標準) - NJM2904B
- 1.2mA(標準) - NJM2902B
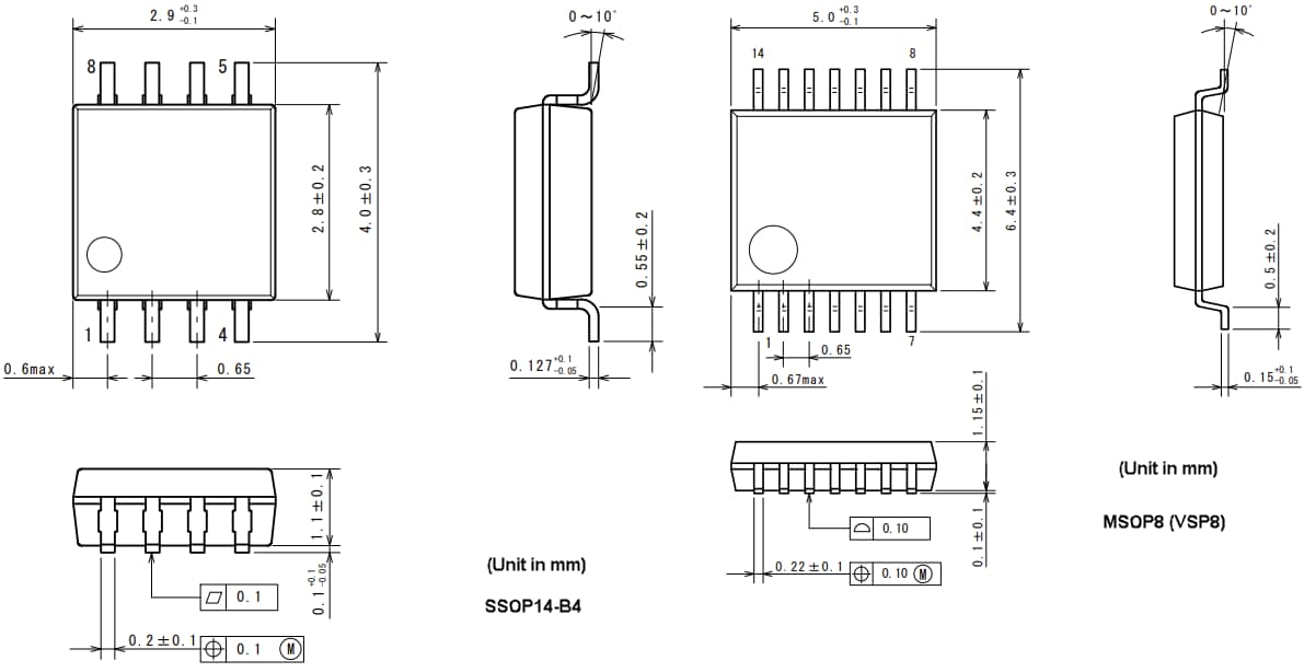
- パッケージ
- MSOP8(VSP8)(2.9mm x 4.0mm x 1.1mm) - NJM2904BR
- SSOP14-B4 (5.0mm x 6.4mm x 1.45mm) - NJM2902BVB4
ブロック図
寸法図
ビデオ
その他のリソース
公開: 2023-01-23
| 更新済み: 2024-02-02
