NXP Semiconductors GD3000 3-相ブラシレス・モータ・プリドライバ
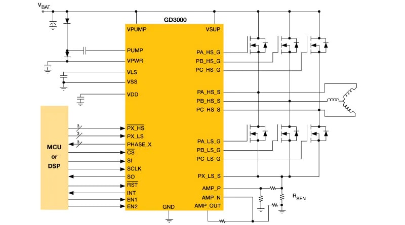
NXP Semiconductors GD30003-相ブラシレス・ モータ・ プリドライバは、3相モータ駆動アプリケーションを対象とした 高効率ゲート ドライバ IC です。NXP Semiconductors GD3000には、3つのハーフブリッジドライバが搭載されており、それぞれが2つのNチャンネルMOSFETを駆動できるようになっています。1A ~ 2.5Aのピーク電流能力が備わっているこのプリドライバは、6V ~ 60Vの広い範囲の単一電源で動作し、75Vの過渡電流保護が組み込まれています。トリクル充電回路が搭載されたブートストラップ・ゲート・ドライバ・アーキテクチャが活用されているGD3000は、100%のデューティ・サイクルをサポートします。さらに、ハイサイドまたはローサイドのMOSFETスイッチング時の電流フローを防止するためにプログラム可能なクロストーク保護が採用されています。両方のMOSFETの統合VDSセンシングによって、外部電源段を過電流状態から保護します。電流シャントアンプを搭載すると、位相誤差検出のための正確な電流測定が可能になります。特徴
- 12Vおよび24Vの車載システムをカバーする8V〜40V までの完全仕様
- 12Vおよび42V システムをカバーする6V~ 60V までの拡張動作範囲
- 低バッテリ電圧でのフルFET駆動をサポートする充電ポンプを搭載
- 安全なSPIコマンド有効になる同時出力機能
- 温度範囲
- -40°C~+125°C
- -20°C~+105°C
- SPIポート経由でプログラミングできる広いデッドタイム範囲(50ns ~ 12μs)
- 1A以上の外部FETゲート駆動能力(保護機能あり)
- 外部FETのCGDおよびCGSからの逆電荷注入に対するデバイス保護
- 統合された過電流、不飽和、位相障害検出
- ゲートドライバでの正または負の過渡電圧スパイクに対する耐性
- デッドタイム制御に内蔵された電流シュートスルー保護
- MCUへのダイレクト3.3Vおよび5Vロジック・インターフェイスをサポート
- 電流センシング・アンプを内蔵
- SPIによるデバイス構成と診断
- パラレルおよびSPIインターフェイスと入力コントローラ
アプリケーション
- ブレーキとスタビリティ・コントロール
- ディーゼルエンジン管理
- 電動パワーステアリング(EPS)
ブロック図
公開: 2024-01-22
| 更新済み: 2024-03-29
