NXP Semiconductors i.MX RT1180クロスオーバーマイクロコントローラ(MCU)
NXP Semiconductors の i.MX RT1180 クロスオーバーマイクロコントローラ(MCU)は、最大800MHzで動作する高性能なArm® Cortex®-M7コアと、最大300MHzで動作する省電力なCortex-M33コアを搭載しています。NXP i.MX RT1180は、産業用リアルタイムプロトコル(Profinet、EtherCAT、EtherNet/IPなど)に対応することができる産業用ゲートウェイ機能を備えています。また、MCUは、最先端のイーサネット・スイッチ・サブシステムおよびECCで保護されている大型1.5MBオンチップRAMを介してTSNベースのプロトコルにも対応しています。これらの部品は、産業用オートメーション、ビルディングオートメーション、エネルギー、モノのインターネット(IoT)などの多様なセグメントに適用できるように設計されています。i.MX RT1180 MCUは、DC-DCおよび低ドロップアウト (LDO)レギュレータが搭載されている統合高度パワーマネジメントモジュールが特徴で、外付け電源の複雑性を低減します。高度な電源管理モジュールにより、電源シーケンスの簡素化に加えて大規模なサブシステムを実現し、メモリインターフェイスや各種接続インターフェイス(CAN-FD、LPUART、LPSPI、LPI2C、FlexIO)を含む幅広いアプリケーションに対応します。
NXP i.MX RT1180デバイスには、高度セキュア・エンクローブ・サブシステム、物理的にクローン不可能な機能(PUF)、オンザフライAES復号(OTFAD)、信頼できるリソース・ドメイン・コントローラ(TRDC)、バッテリバックアップ・セキュリティ・モジュール(BBSM)、インライン暗号化エンジン(IEE)をはじめとする複数のセキュリティ機能が統合されています。
特徴
- ARM Cortex-M7(800MHz時)および最高300MHzのArm Cortex-M33、オプションのシングルコアArm Cortex-M33
- ソフトウェアとツール
- MCUXpresso開発者体験
- IDEの選択肢
- ピン、クロック、周辺機器、セキュリティ、メモリ構成ツール
- セキュリティプログラミングとプロビジョニングツール
- ソフトウェア開発キット(SDK)
- ゼファーRTOSサポート
- 産業用プロトコルサポート
- MCUXpresso開発者体験
- ネットワーク
- 複数のプロトコルをサポートしている統合Gbps タイム・センシティブ・ネットワーク(TSN)スイッチを搭載した初のリアルタイムマイクロコントローラ(MCU)で、既存のシステムとインダストリ4,0の間の通信をブリッジ
- Profinet、Ethernet/IP、EtherCAT、CC-Link IEフィールド、HSRなどのリアルタイム産業用イーサネットプロトコル
- 産業オートメーションを対象としたIEC 60802に準拠した最近のTSN規格
- OPC UA Pub-Sub、Profinet over TSN、CC-Link IE TSNなどのTSNベースのプロトコル
- TSNスイッチ(レイヤー2)上の4つのポート、TSNエンドポイントコントローラ上の1xポートをはじめとする最大5Gbpsポート
- ポートカウンタ、フィルタ、その他をはじめとする高度フロー制御機能が搭載されたL2管理
- 複数のプロトコルをサポートしている統合Gbps タイム・センシティブ・ネットワーク(TSN)スイッチを搭載した初のリアルタイムマイクロコントローラ(MCU)で、既存のシステムとインダストリ4,0の間の通信をブリッジ
- 高度なセキュリティ
- 統合された EdgeLock®Secure Enclaveを備えたクロスオーバーMCUで、事前設定済み・自己管理型・自律型のセキュリティサブシステムを搭載し、ネットワーク接続された産業用IoTアプリケーションにおける堅牢なシステム全体のセキュリティ実装の複雑さを軽減します。
- IEC 62443システムコンプライアンスのためのコンポーネントレベルの基礎を実現
- セキュアブート、セキュアキーメカニズム、高性能暗号化が備わった複雑なネットワークシステムにおける信頼要件のルート
- 安全なRTCおよび10つの改ざんピンを用いたシステムレベルの物理的改ざん監視
- ARM Cortex-M7用の512KBのTCMおよびArm Cortex-M33用の256KBのTCMが搭載された、最大1.5MB SRAM (ECC保護済)
- アナログ
- 高速16ビットADC
- 高度タイマ/PWMおよびデルタシグマデモジュレータ
- -40°C~+125°Cの産業用温度範囲
- パッケージのオプション
- 289 MAPBGA、14mm x 14mm、0.8mmピッチ
- 144 MAPBGA、10mm x 10mm、0.8mmピッチ
アプリケーション
- ビルおよびファクトリーオートメーション
- 産業用オートメーション
- ヘルスケア
- 産業用ゲートウェイ
- モーション制御とロボット工学
- モータドライブ
- プログラマブルロジックコントローラとリモートI/O
- IoT
ビデオ
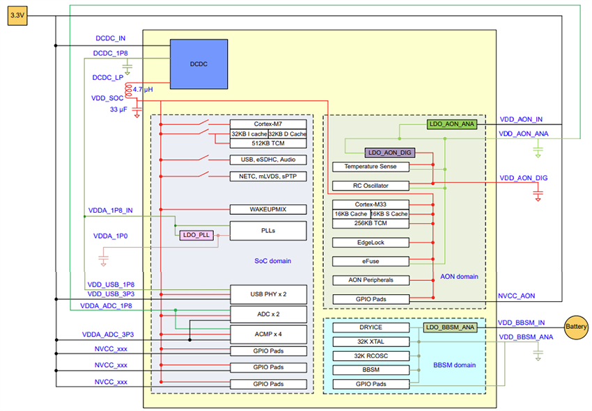
ブロック図
パワーアーキテクチャ
公開: 2025-09-30
| 更新済み: 2026-03-25
