MC33771 PMICは、ADC(アナログ・デジタル・コンバータ)差動セル電圧および電流での変換、ならびにクーロン・カウントと温度測定も特徴です。この情報は、シリアル・ペリフェラル・インターフェース(SPI)を介して、またはトランス絶縁(TPL)から、マイクロコントローラに伝送され、処理されます。バランシング・トランジスタと診断は、MC33771に統合されており、アプリケーション設計を簡素化できます。
機能の検証・診断が搭載されているMC33771電池セル・コントローラ・ソリューションで、ISO 26262SafeAssure®機能安全規格に対応しており、自動車業界を対象としています。
特徴
- 供給電圧
- 9.6V ≤ VPWR ≤ 61.6V動作、75V過渡
- 高度な電圧と温度測定
- 14セル電圧計測チャンネル
- 総合スタック電圧測定
- 0.8mV最大総電圧測定エラー
- ADC/GPIO/温度センサ入力7個
- 同期化された高度電流測定
- PGAが搭載された集積電流センサ
- ミリアンペアからキロアンペアまで±0.5%の精度
- 統合クーロンカウンタ
- 絶縁デイジーチェーンまたはSPI通信
- 2.0Mbps、2線式ツイストペア差動、絶縁
- 初期化に対応可能
- 4Mbps SPI
- オンボード・パッシブバランス
- オンボード300mA低Rdsonパッシブセル・バランシングMOSFET(診断機能搭載)
- スリープモードでのバランス調整
- 各MOSFET用のプログラマブル・バランシングタイマ
- 診断、機能安全、堅牢性
- OV/UV、OT/UT、OC障害検証
- スリープモードOV/UV、OT/UTモニタリング
- ASIL D安全機能に応じてISO 26262をサポートする設計
- ホット プラグ対応
- AECQ-100準拠を認定済
- パッケージ
- 64ピンQFP
アプリケーション
- 車載用: HEV/EV用の48Vおよび高電圧バッテリパック
- 高電圧(>800V)バッテリマネジメント・システム
- 電動バイク、電動スクータ
- エネルギー貯蔵システム
- UPSシステム
- ESS
アプリケーション図(SPI)
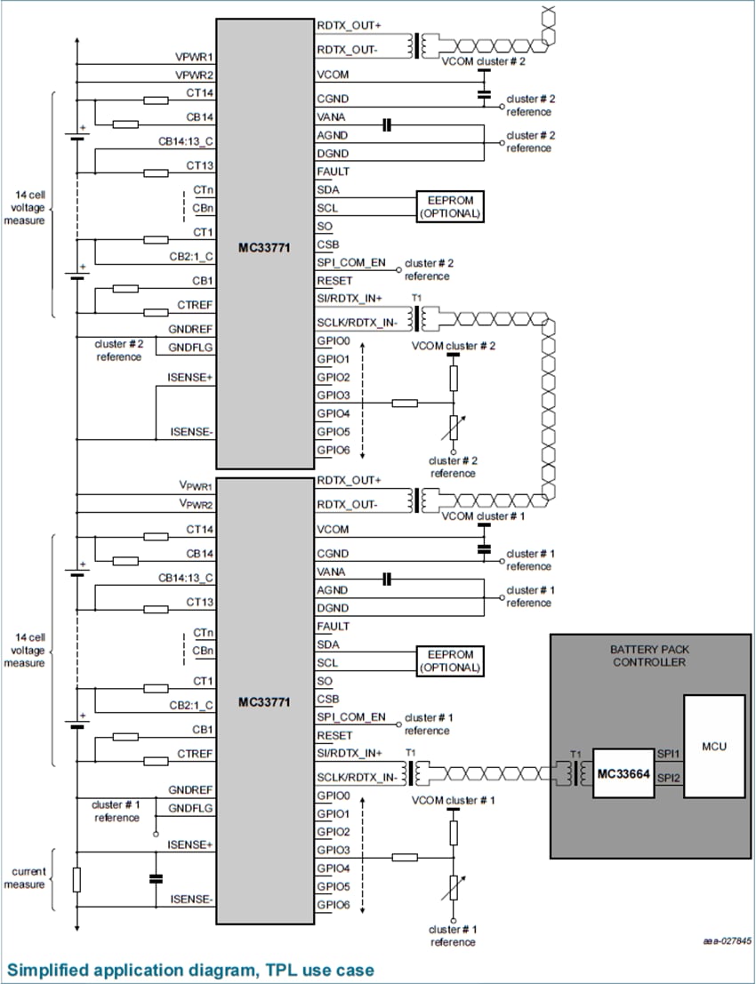
アプリケーション図(TPL)
公開: 2018-05-22
| 更新済み: 2024-09-09
