NXP Semiconductors MC33775A 14チャンネルバッテリセルコントローラIC
NXP Semiconductors MC33775A 14チャンネルバッテリセルコントローラICは、差動高精度セル電圧と温度を測定するように設計されたリチウムイオンコントローラICです。これらのICは、豊富な受動セル電圧バランシング機能を実現しており、バッテリスタック全体の個々のセル電圧を均等化できます。MC33775A ICは、1デバイスあたり4 ~ 14セル、±5V入力電圧が備わったバスバー、統合構成可能デジタルフィルタをサポートしています。これらのICは、外部デバイスを制御するためのI2Cバス マスタインターフェイス、設定可能なアラーム出力、スリープ中とバランシング中にパックを監視するためのサイクリックウェイクアップを備えています。MC33775A ICは、セル電圧、モジュール電圧、温度測定を目的としたISO 26262 ASIL Dをサポートしています。代表的なアプリケーションとして、ハイブリッド電気自動車(HEV) 、電気自動車(EV) 、エネルギー貯蔵システム(ESS) 、無停電電源装置(UPS) システムがあります。MC33775A ICには、アクティブ、スリープ、サイクリック、ディープスリープといった動作モードが搭載されています。これらのバッテリセルコントローラICは、シリアル・ペリフェラル・インターフェイス(SPI) および絶縁デイジーチェーン・インターフェイスを供給し、ホストMCUとの通信を目的としています。MC33775A ICは、安全レベルが向上しており、部品表が少なくなっています。
特徴
- セル電圧の測定:
- デバイスあたり4〜14セル
- ±5V入力電圧が備わったバスバーに対応
- 超低長期ドリフトを備えた16ビット分解能および±1mVの標準測定精度
- セル電圧測定の120μs同期
- 統合構成可能デジタルフィルタ
- 外部温度および補助電圧の測定:
- 8つのアナログ入力
- 絶対またはレシオメトリックとして構成可能な5V入力範囲
- 16ビット分解能および±5mV標準測定精度
- 統合構成可能デジタルフィルタ
- モジュール電圧測定
- 入力範囲:9.6V~65V
- 16ビット分解能と0.3%測定精度
- 統合構成可能デジタルフィルタ
- 内部測定:
- 冗長内部温度センサ2台
- 電源電圧
- 外部トランジスタ電流
- セル電圧バランシング:
- 14個の内部バランシング電界効果トランジスタ(FET) 、1チャンネルあたり最大300mA(最大)
- すべてのチャンネルの同時パッシブバランシング
- グローバル・バランシング・タイムアウト・タイマ
- 10s分解能と最長45時間の持続時間が備わった個々のタイマ制御バランシング
- 影響を受けたセルを停止したり、すべてのバランシングを停止するための2つの閾値が備わった電圧制御バランシング
- 温度制御バランシング。バランシングレジスタが過温度になっている場合、バランシングは中断されます。
- パルス幅変調(PWM) 制御バランシング
- 測定中の自動一時停止のバランス
- グローバル・プリバランシング遅延
- バッテリパックの自動放電(緊急放電)
- EEPROMやセキュリティICなどの外部デバイスを制御するためのI2Cバス マスタインターフェイス
- アラーム出力を構成可
- スリープおよびバランス時にパックを監視する巡回ウェイクアップ
- SPIまたはトランス物理層3 (TPL3) をサポートしているホストインターフェイス:
- TPL3インターフェイス向け2Mbitデータレート
- SPI向け4 Mbitデータレート
- TPL3通信サポート:
- 容量性および誘導性絶縁が備わった2線式デイジーチェーン
- 最大6つのデイジーチェーンと62のノードをサポートしているプロトコル
- 一意のデバイスID
- 動作モード:
- アクティブモード
- スリープモード
- 巡回モード
- ディープスリープモード
- AEC-Q100 grade 1認定
- 周囲温度範囲: -40°C~125°C
- セル電圧、モジュール電圧、温度測定に対応しているISO 26262 ASIL D
アプリケーション
- 自動車:
- ハイブリッド電気自動車(HEV)
- 電気自動車(EV)
- 産業用:
- エネルギー貯蔵システム(ESS)
- 無停電電源(UPS)システム
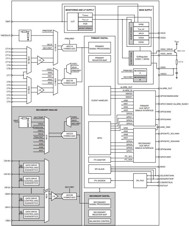
ブロック図
その他の資料
公開: 2024-08-14
| 更新済み: 2024-09-10
