NXP Semiconductors MC33GD3100 アドバンスドIGBT/SiCゲートドライバ
NXP Semiconductors MC33GD3100アドバンスドIGBT/SiCゲートドライバは、絶縁ゲートバイポーラトランジスタ(IGBT)およびシリコンカーバイド(SiC)パワー デバイス用のシングルチャンネル・ゲートドライバです。NXP MC33GD3100ゲートドライバは、高度機能安全性、制御、保護機能が特徴で、車載およびEVパワートレイン・アプリケーション(AEC-Q100 Grade 1の完全認定を取得済)に最適です。統合されたガルバニック絶縁と低オン抵抗駆動トランジスタにより、 高充放電電流、低ダイナミック飽和電圧、レール・ツー・レール ゲート電圧制御を実現します。電流および温度センスによって、障害時のIGBTストレスが最小限に抑えられます。正確で設定可能な低電圧ロックアウト(UVLO)は、余裕のあるゲート駆動電圧ヘッドルームを確保しながら保護します。MC33GD3100は、INTBピンおよびSPIインターフェイスを介して重大な障害とレポート障害およびステータスを自律的に管理します。大半のIGBTおよびSiC MOSFETのゲートを直接駆動できます。セルフテスト、制御、保護機能は、高信頼性システム(ASIL C/D)の設計に含まれています。
特徴
- 安全性の監視、プログラマビリティ、柔軟性を目的としたSPIインターフェイス
- 低伝搬遅延と最小PWM歪み
- 最大8kVの統合型ガルバニック信号絶縁
- 15Aピークソースとシンクが可能な統合型ゲート駆動電力段
- 完全プログラマブル・アクティブミラークランプ
- 負のゲート供給との互換性あり
- 電流センスおよび温度センスIGBTとの互換性あり
- 統合型ソフトシャットダウン、2レベルのターンオフ、アクティブクランプ、ウェーブシェーピング用のセグメント化された駆動
- > 100V/ns CMTI
- >125kWは、200V ~ 1,700V IGBT/SiCとの互換性があり、電力範囲> 7.8mm外部沿面距離(CPG)
- 動作周波数: >40kHz
- 5.0Vおよび3.3VトレラントMCUインターフェイスを利用可能
- 動作温度範囲:-40°C~+125°C
- 32ピン・ワイドボディSOICパッケージタイプ
- 安全性
- 完全診断のためのASIL D ISO26262機能安全要件の認証を取得済
- IGBT/SiCモニタリング用の電流、DESAT、温度センス入力、ADCレポート
- 高速短絡保護、過電流保護、温度警告、シャットダウン
- 障害に対する高速応答のための割り込みピン
- すべてのアナログおよびデジタル回路の内蔵セルフチェック
- ダイtoダイ通信の連続ウォッチドッグ
- デッドタイム実施
- 低/高電圧両側の全電源の過/低電圧監視
- 低/高電圧両側のフェイルセーフ状態管理ピン
- VGEリアルタイム・サイクル毎モニタリング
- 規制認可
- DIN V VDE V 0884-10に準じた強化絶縁
- 2,500VRMS (1分間)絶縁に対する耐性(UL 1577に準拠)
- CSA部品承認通知 5A
- AEC-Q100 Grade 1車載認定済
アプリケーション
- バッテリマネジメントシステム(BMS)
- 電気自動車トラクション・インバータ
- ハイブリッド電気自動車(HEV)
- 産業用モータドライブ
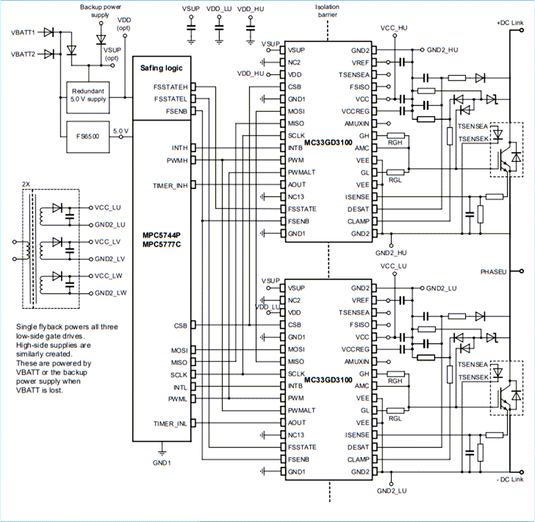
ブロック図
標準アプリケーション回路
公開: 2020-01-16
| 更新済み: 2024-10-30
