NXP Semiconductors NAFEx88 8チャンネル・アナログフロントエンドIC
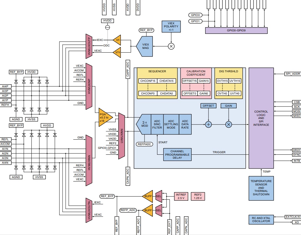
NXP Semiconductors NAFEx88 8チャンネル対応アナログフロントエンド(AFE)ICは、高度に構成可能な産業グレード8チャンネル対応ユニバーサル入力ICで、高精度測定要件を満たしています。これらのAFE ICには、低漏洩、高電圧(HV)高速マルチプレクサ、低オフセットおよび低ドリフトプログラマブルゲインアンプ(PGA)、バッファが統合されています。NAFEx88 AFE ICには、さまざまな診断および供給監視 回路が装備されており、状態監視と異常検出を目的としています。これらのAFE ICは、高データレート24ビットデルタシグマ型アナログデジタルコンバータ (ADC) 、正確な電圧および電流励起源、低ドリフト 電圧リファレンスを備えています。NAFEx88 AFE ICは、エンドツーエンドのシステム自己較正と予知保全を容易に行うために、2つの高精度較正電圧源が用意されています。NAFE13388/NAFE73388 8チャンネルICは工場出荷時に較正されており、NAFE13188 ICは工場出荷時に較正されていません。代表的なアプリケーションには、データ収集システム、産業オートメーションとプロセス制御、PLC、DCS I/Oモジュールがあります。
特徴
- 8つの構成可能なHV入力:
- シングルエンドまたは差動範囲で最大±25V
- 電圧、電流、抵抗、抵抗温度検出器(RTD) 、熱電対の独立した構成
- 1時間以内で最大±36Vの過電圧保護
- 高精度:
- ユーザー較正後に室内で0.005% FS精度
- -25°C ~ 105°Cの温度範囲全体で0.1%の FS精度
- システム較正:
- 統合高精度電圧源によるエンドツーエンド較正
- 正確な工場出荷時較正製品を利用可能
- ±3°C内部温度センサ
- 正確な励起電圧と電流源
- 室温での0.2%内部発振器精度
- 障害検出と予測用診断システム
- CRCエラー検出
- GPIO 10個
- 32MHz SPI インターフェイス
- 堅牢な7.5kV HBM ESDおよびIEC61000-4-5 2kVサージ保護
- 電源装置:
- 高電圧(HV): ±7V ~ ±24V
- 低電圧(LV): 3.3V
- 動作温度範囲:-40°C~125°C
- 64ピン、9mm x 9mm x 0.85mm HVQFNパッケージ
アプリケーション
- データ収集システム
- プログラマブルロジックコントローラ(PLC)およびDCS I/Oモジュール
- 産業用オートメーションおよびプロセス制御
仕様
- NAFE73388
- 高速データレート:
- 15SPS ~ 576kSPS
- 144kSPSで17ビットENOB
- 低電力消費:160mW
- 高速データレート:
- NAFE13388/NAFE13188
- 高速データレート:
- 7.5SPS~288kSPS
- 72kSPSで17ビットENOB
- 低電力消費:150mW
- 高速データレート:
ビデオ
ブロック図
公開: 2024-03-04
| 更新済み: 2025-01-22
