NXP Semiconductors NVT4858デュアル電圧レベル変換器
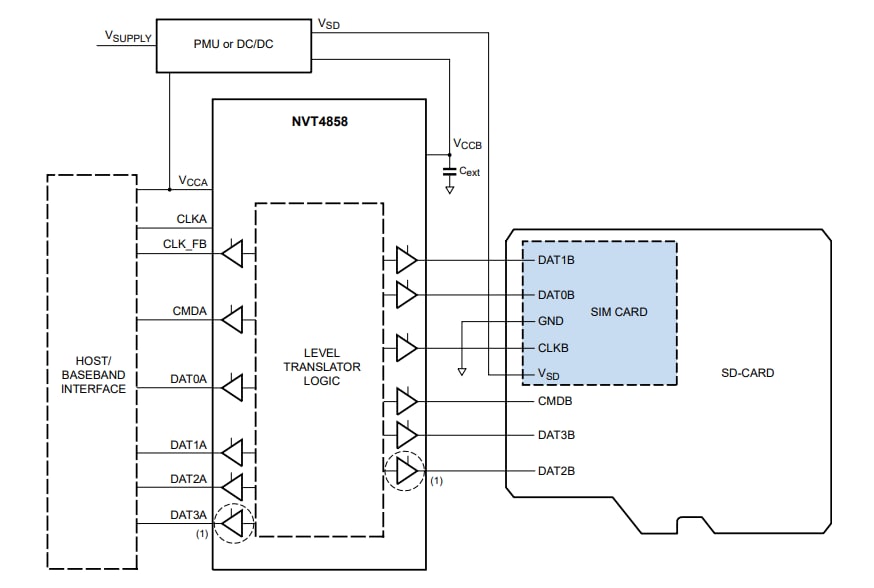
NXP Semiconductors NVT4858双方向デュアル電圧レベル変換器は、メモリまたは1.65V~3.6V信号レベルで動作するSIMカードと電源電圧1.08V~1.95Vのホストとの間のインターフェイス接続を実現ように設計されています。この双方向デュアル電圧レベル変換器は、自動方向制御機能を搭載しSD 3.0に準拠しており、SD 3.0 SDR104、SDR50、DDR50、SDR25、SDR12、SD 2.0 HighSpeed(50MHz)およびDefault-Speed(25MHz)モードをサポートします。NXP NVT4858デュアル電圧レベル変換器は、VCCB供給ピン、内蔵EMIフィルタ、VCCBまたは任意のカード側ピンでの堅牢なESD保護(IEC 61000-4-2、Level 4)に接続されている自動有効/無効機能が特徴です。また、これらの機能によって外部ESDダイオードが不要になります。さらにNVT4858は、SIMカード電圧レベル変換器(SDおよびSIMカードコンボソケット用にCLKと2本のデータ線を使用)をサポートしています。
特徴
- 最速208MHzまでのクロックレートをサポート
- SDR104、SDR50、DDR50、SDR25、SDR12、高速、デフォルト速度モードをサポートするための、SD 3.0仕様準拠の電圧変換
- すべてのETSI、IMT-2000、ISO-7816 SIM/スマートカード・インターフェイス要件に準拠
- 1.65V~3.6Vの範囲でSD/SIMカード供給電圧をサポート
- 1.08V~1.95Vのホストマイクロコントローラ動作電圧範囲
- クロック同期のための帰還チャンネル
- ブレーク・ビフォア・メーク・アーキテクチャを活用したプッシュプル出力段による低電力消費
- VCCBを介した自動有効化と無効化
- 統合プルアップおよびプルダウン抵抗器(外付け抵抗器は不要)
- デジタルI/Oのより高い高調波を抑制する統合EMIフィルタ
- VCCBのIEC 61000-4-2, level 4に準じた統合8kV ESD保護、あるいは カード側のいずれかのピン - 外付けESDダイオードは不要
- レベルシフティング・バッファによって、ホストからのESD応力を維持(ゼロクランプ概念)
- XQFN16(0.4mmピッチ)およびWLCSP16(0.35mmピッチ)でご用意あり
アプリケーション
- スマートフォン
- モバイルヘッドセット
- デジタルカメラ
- タブレットPC
- ノートパソコン
- SD、MMC、またはmicroSDカードリーダー
ブロック図
機能図
公開: 2021-12-02
| 更新済み: 2023-03-23
