NXP Semiconductors P3A1604UKデュアルサプライ変換トランシーバ
NXP Semiconductors P3A1604UK デュアル電源、電圧レベル変換器は、汎用4ビットのデバイスです。双方向の電圧レベル変換を可能にする自動方向検出機能を搭載しています。NXP P3A1604UK ICは、VCC(A)には0.72V~1.98V、VCC(B)には1.62V~3.63Vの任意の電圧を供給でき、広い電源電圧範囲に対応しています。そのため、多様な電圧ノード間でのインターフェイス接続に適しています。P3A1604UKは、I3C、I2C、SMBus、SPIアプリケーションに最適で、最大データ・レート40Mbs(プッシュプル)を実現できます。堅牢なESD保護(2000V (HBM) および500V (CDM) 超)を備えているため、このICは温度-40°C~+125°Cの範囲で信頼性の高い動作を行えます。このトランシーバは、モバイル、インダストリアル、コンスーマ・アプリケーションに最適で、シームレスな統合と効果的な電圧レベル変換を実現できます。特徴
- 双方向の電圧レベル変換を可能にする自動方向検出機能
- 幅広い電源電圧範囲
- VCC(A):0.72V~ 1.98V
- VCC(B):1.62V~3.63V
- 電源シーケンシングは不要
- ビットあたり最大データ・レート (DDR)
- オープン・ドレイン:6.8Mbit/s (3.4MHz)
- プッシュプル:40Mbit/s (20MHz)
- I3C、I2C、SMBus、SPI、UARTの各インターフェイスをサポート
- 長いワンショット・パルスにより、リンギングとオーバーシュートを大幅に低減しながら大きな静電容量負荷を駆動
- A側入力とOE入力の最大許容電圧:1.98V
- A側入力とOE入力の最大許容電圧:3.63V
- 静電放電保護(ESD)
- HBM JESD22-A114Eクラス 2、2000V超
- CDM JESD22-C101E、500V超
- JESD 78に準拠した100mAを超えるI/Oラッチアップ電流
- パッケージ:WLCSP12 (SOT2063-4)、1.405mm x 1.055mm、0.35mmピッチ
- 動作温度範囲:-40°C~+125°C
アプリケーション
- 携帯
- I3C、I2C、SMBus
- SPI
- サーバー
仕様
- 入力遷移の立ち上がり/立ち下がりの速度:10ns/V
- 最大入力リーク電流:1μA
- 出力端子のオフ・リーク電流:2μA~3μA
- 標準入力キャパシタンス:2pF
- 標準I/Oキャパシタンス
- Aポート:7pF
- Bポート:5.5pF
- 最大イネーブル・タイム:3μs
- ディセーブル・タイム:0.4μs~0.8μs
- チャンネル間の最大出力スキュー時間:0.3ns
- データレート範囲:0.128Mbit/s~40Mbit/s
- 熱抵抗
- ジャンクション部から周辺環境まで (j-a):77.9°C/W
- ジャンクション部から筐体上面まで (j-tc):9.3°C/W
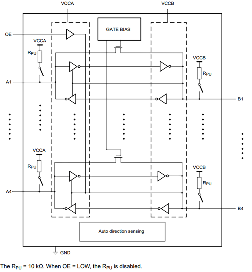
ブロック図
標準アプリケーション回路
アーキテクチャ
公開: 2025-04-21
| 更新済み: 2025-04-24
