PN5190の高出力電力とレシーバ感度によって、小型アンテナであっても広い通信範囲が可能になり、スペースに制約のある設計での高い性能がもたらされます。デバイスの広い温度範囲によって、工業および屋外環境での動作が可能になります。この堅牢なRFインター フェイスおよび最大848kbit/sのデータレートによって、高速デバイス対デバイス通信に依存しているeGovリーダーおよびアプリケーション・シナリオのニーズをさらに満たしています。ISO/IEC 15693デバイスと併用すると、PN5190フロントエンドは、最大212kbit/sの高速センサリードアウトまたはファームウェア更新を実現します。
PN5190は、RFフィールドへの外部妨害を経験するアプリケーションであっても、優れたノイズ耐性を発揮します。デバイスの洗練されたアナログ電源設計によって、レシーバ信号の妨害がさらに低減され、0.3mV rmsのレシーバ感度が生み出されます。適応型レシーバ制御(ARC)によってレシーバ感度が調整され、受信性能が向上します。
設計を簡素化するために、PN5190フロントエンドは、すべてのFeliCa®およびMIFAREカード製品と通信し、すべてのMIFAREベースのカードの読取/書込を目的にハードウェアに暗号化が実装されています。NXP ISO/IEC 14443-A、Innovatron ISO/IEC 14443-B、およびNXP MIFARE製品のIPライセンスは、すでにデバイスに含まれています。
NXP Semiconductors PN5190 NFCフロントエンドは、VFBGA-64およびHVQFN-40パッケージで販売されており、-40°C~+105℃の広い動作温度範囲が特徴です。
特徴
- ピア・ツー・ピアおよびカードエミュレーションモードなど、すべての関連する56MHz RFプロトコルに対応するNFC Forum準拠のNFCフロントエンド
- 最大2W RF出力電力が備わっているトランスミッタ
- 適応型波整形(AWS)および動的電力制御(DPC)2.0
- 高感度、ノイズ耐性、統合EMD処理機能が搭載されたレシーバ
- 最大1024バイトのRFフレームサイズに対応(チェーン接続なし)
- 最大212kbit/sのデータレートに対応しているNTAG® 5通信(ISO/IEC 15693)に最適
- 完全なRF出力電力で3V単電源を対象とした統合低ノイズDC-DCコンバータ
- SPIホストインターフェイス(最速で15MHz)
- 超低消費電力カード検出および複数の省バッテリ構成を利用可能
- 可変コンデンサによる自動アンテナ調整
- 過電流および温度過昇保護
- アクセス管理アプリケーションを対象とした24MHz、32MHz、48MHzの外部クロック入力
- 最大848kbit/sのデータレートが備わっているeGovアプリケーションを対象とした堅牢な通信
- ワイド-40°C~+105°C動作温度範囲
- パッケージのオプション
- 4.5mm x 5.0mm VFBGA-64; 0.5mmピッチ
- 5.0mm x 5.0mm HVQFN 40; 0.4mmピッチ
- サポートされているRFプロトコル
- 読取/書込モード
- 最大848kbit/sまでのISO/IEC 14443 type A&B R/Wサポート
- FeliCa R/Wサポート最大424kbit/s
- NFCフォーラム・タグタイプ1、2、3、4、5リーダ
- R/WのNFC Forumコンプライアンス–アナログおよびデジタル
- ISO/IEC 15693 リーダ (ICODE®)
- NTAG 5通信用の106kbit/sおよび212kbit/sのISO/IEC15693に基づいた独自のデータレート
- ISO/IEC 18000 EPC-HFリーダー(ICODE ILT)
- EMD対応機能を集積したEMVCo 3.0(L1)
- ピアツーピア・モード
- パッシブおよびアクティブ通信(イニシエータ/ターゲット)
- 次のタイプによってサポートされるP2P:A (106kbit/s)、F (212kbit/s, 424kbit/s)
- 最速848kbit/sのType Aを対象とした独自のP2Pモード
- カードエミュレーション・モード
- より長い通信距離のためのアクティブ負荷変調が備わったISO/IEC 14443 Type-Aホストカードエミュレーション
- 読取/書込モード
アプリケーション
- POSおよびmPOS端子
- 物理アクセス制御
- デバイスのパラメータ化
- 電子政府
ビデオ
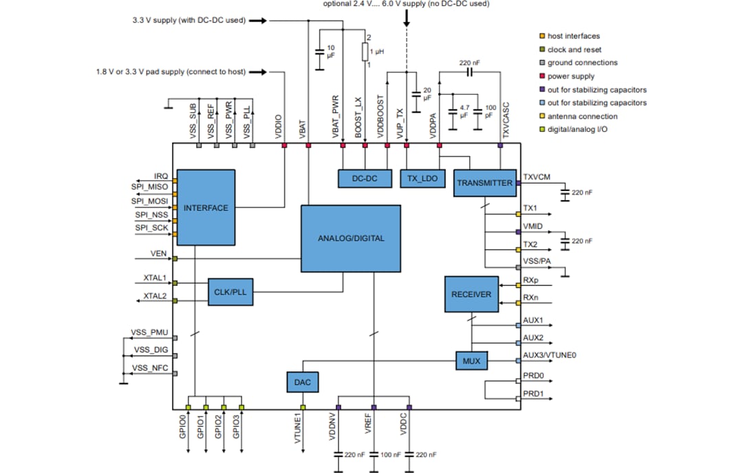
ブロック図
