NXP Semiconductors S12ZVM-EFP電気燃料ポンプリファレンスデザイン
NXP Semiconductors S12ZVM-EFP電気燃料ポンプのリファレンス設計は、箱から出してすぐに使用できるリファレンス設計ボードで、12V 3相永久磁石同期モータ(PMSM)車載用電気燃料ポンプ(EFP)を対象としています。16ビットS12 MagniV® S12ZVM混合信号マイクロコントローラを基にしたS12ZVM-EFPは、スムーズなクロスオーバーI/Fスタートアップと初期位置検出(IPD)アルゴリズムを採用し、静止状態から定格速度まで150ms <未満という厳しい目標を達成するために、堅牢で迅速なスタートアップを実現します。特徴
- 最大250W車載BLDC/PMSMモータ制御システムが搭載されている12V電源システムをサポート
- BLDC/PMSMセンサレスFOC制御、デュアルシャントとシングルシャントをサポート
- 堅牢で高速な起動で、静止から定格速度までの厳しい起動条件<150msに適合
- 電流のI/F起動と初期位置検出アルゴリズムを交差させることで起動が成功裏に実行されたことを確認
- 供給電圧の変化、負荷の変化、スピードコマンドのジャンピング、温度上昇に対する試験が完了しているボード
- 堅牢なゲートドライバ装置(GDU)を使用した複数の診断と保護戦略をサポート
- 過電圧(OV)、低電圧(UV)、短絡と過電流(OC)、温度過昇(OT)、ストール検出をサポートしています。
- ユーザーの定義によるPWM/Freemaster/LINのスピードコマンドをサポート
アプリケーション
- 車載用燃料ポンプ
- BLDC/PMSM
技術リソース
ボード・レイアウト
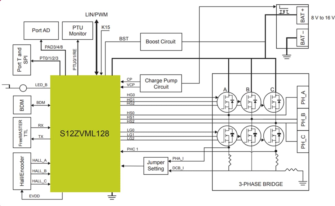
ブロック図
ソフトウェアのブロック図
公開: 2020-06-11
| 更新済み: 2024-10-25
