NXP Semiconductors TEA2016AATデジタルアーキテクチャは、信頼性が極めて高いリアルタイム性能を確保する、高速で構成可能なハードウェア・ステート・マシンに基づいています。電源の開発中に、LLC および PFC コントローラの多くの動作および保護設定は、特定のアプリケーション要件を満たすためにデバイスに新しい設定を読み込む ことによって調整できます。独自の TEA2016AAT 構成コンテンツの無許可のコピーを防止するために、構成を完全に保護することができます。
特徴
- キー
- 単一の小型 SO16 パッケージで LLC および PFC コントローラの完全な機能性を実現
- 統合高電圧スタートアップ
- 統合ドライバと高電圧レベルシフタ(LS)
- ハイサイドのドライバは、ローサイドのドライバ出力から直接供給されます。
- 正確なブースト電圧制御
- 追加の外付け部品なしでの統合Xコンデンサ放電
- パワーグッド機能
- 以下のようないくつかのパラメータを簡単に設定できます。
- 動作周波数は、すべての動作モードにおいて可聴域の外にあること
- バーストモードでのソフト起動とソフトストップ、可聴騒音を低減
- 動作終了モード間の正確な移行レベル(ハイパワーモード 低電力 モード/バーストモード)
- 緑色
- スイッチング損失を最小化するバレー/ゼロ電圧スイッチング
- 低負荷から高負荷までの高効率
- 最新の省エネ基準・指令(Energy Star、EuP)に準拠
- 優れた 無負荷 入力電力(TEA2016AAT/TEA1995Tの組み合わせで< 75mW)
- 保護
- 個別に構成できるレベルとタイマ
- すべての保護は、ラッチ、安全再起動、または再起動を試行した後でラッチに独自に設定可能
- 低電圧保護(UVP)
- 過電力防止機能(OPP)
- 内部および外部過熱保護(OTP)
- 容量モード安定化(CMR)
- 精密な過電圧保護(OVP)
- 過電流保護(OCP)
- 突入電流保護(ICP)
- 電圧上昇(ブラウンイン)/ 電圧低下(ブラウンアウト)保護
- 入力の無効化
アプリケーション
- デスクトップとオールインワンPC
- LCDテレビ
- ノートブックアダプタ
- プリンタ
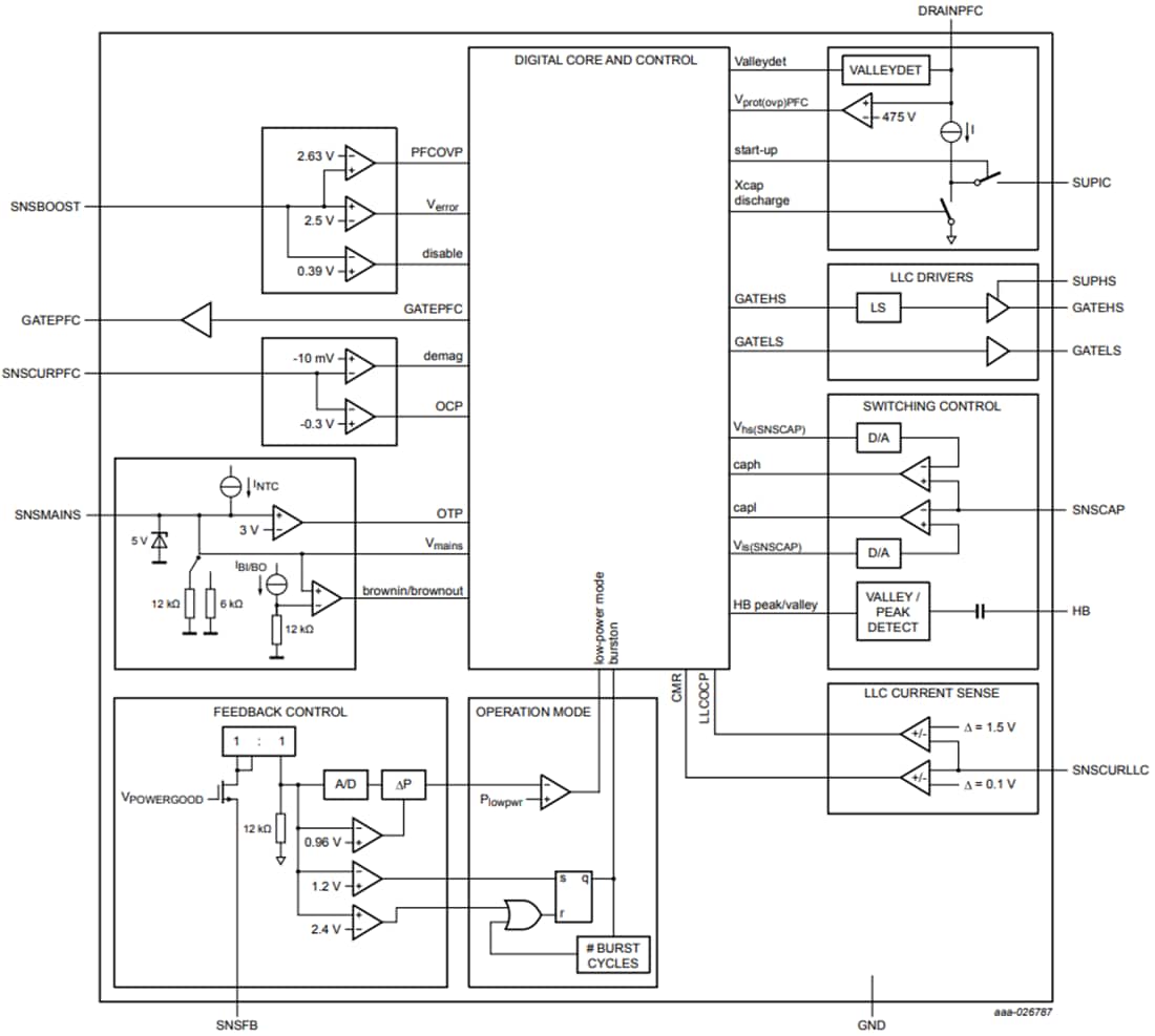
ブロック図
公開: 2023-01-09
| 更新済み: 2023-09-26
