デジタルアーキテクチャは、高速コンフィギュラブル・ハードウェア・ステート・マシンに基づいており、信頼性の高いリアルタイム性能を保証します。各構成は、独自のNXP Semiconductors TEA2017AAT構成コンテンツの不正なコピーを防止するために安全に保護できます。このデバイスは、薄型の狭いボディ幅SO16パッケージに収められています。
特徴
- 単一の小型SO16パッケージでPFCとLLCコントローラの完全な機能を実現
- 統合高電圧スタートアップ
- 統合ドライバと高電圧レベルシフタ(LS)
- 高圧側ドライバは、低圧側ドライバの出力から直接供給
- 正確なブースト電圧レギュレーション
- PFCは下記で動作するように構成可能
- DCM/QR
- DCM/QR/CCM(マルチモード動作とも呼ばれる)
- CCM固定周波数
- 追加の外付け部品なしでの統合Xコンデンサ放電
- パワーグッド機能
- EMI性能の最適化を実現するPFCジッタ
- PFC電流が入力フィルタ電流を補正するため、優れた力率(PF)と全高調波歪み(THD)を実現
- グラフィカル・ユーザー・インターフェイス(GUI)を使用して評価中にいくつかのパラメータを簡単に構成できます。
- すべての動作モードで可聴領域を超える動作周波数
- バーストモードでのソフト起動とソフトストップ、可聴騒音を低減
- 動作モード間の正確な移行レベル(高電力モード/低電力モード/バーストモード)
- 低電力モードの有効化/無効化
- スイッチング損失を最小化するバレー/ゼロ電圧スイッチング
- 低負荷から高負荷まで極めて高い効率性
- 最新の省エネ基準および指針(Energy Star、EuP)に準拠
- 優れた無負荷入力電力(TEA2017AAT/TEA2095Tの組み合わせで75mW未満)
- 個別に設定可能なレベルとタイマ
- ラッチ、安全リスタート、あるいは複数回のリセット試行後のラッチを実現するために多数の保護を個別に設定可能
- 電源低電圧保護(UVP)
- 過電力防止機能(OPP)
- 内部および外部過熱保護(OTP)
- 容量モード安定化(CMR)
- 精密な過電圧保護(OVP)
- 過電流保護(OCP)
- 突入電流保護(ICP)
- 電圧上昇(ブラウンイン)/ 電圧低下(ブラウンアウト)保護
- 入力の無効化
アプリケーション
- デスクトップとオールインワンPC
- ゲーム機用電源
- LCDテレビ
- ノートPCアダプタと汎用アダプタ
- プリンタ
- サーバー
- 5G電源
- UHD LEDテレビ
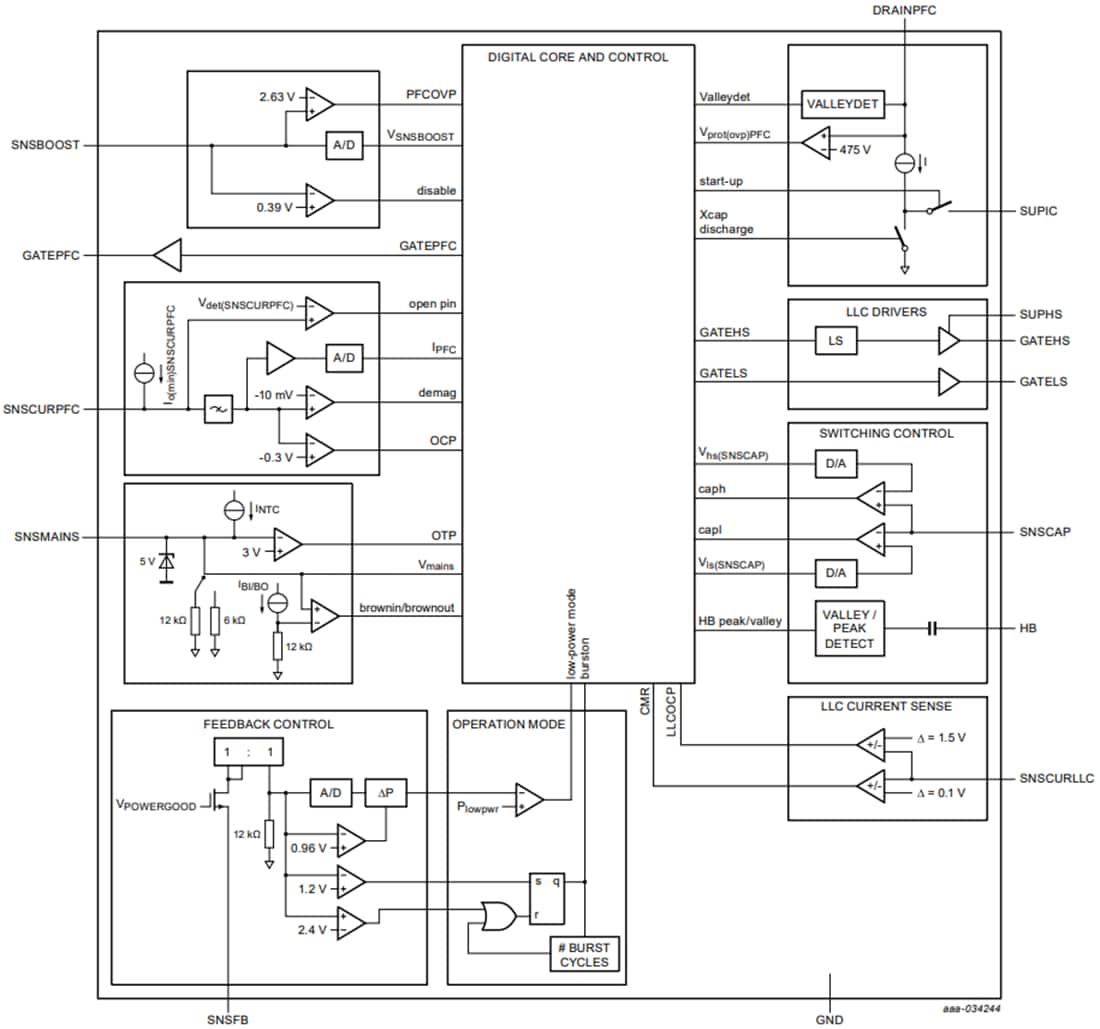
ブロック図
公開: 2022-05-18
| 更新済み: 2023-09-26
