特徴
- 効率性の特徴
- 任意の負荷での最大限の効率性を目的とした適応型ゲートドライブ
- 80μAの省エネ動作での供給電流
- 低オームMOSFETの駆動を目的とした−29mVの安定化レベル
- アプリケーションの特徴
- 最大ドレインセンス電圧 200V
- 4.5V~38Vの広い供給電圧範囲
- LLC共振のデュアル同期整流
- ロジックレベルSR MOSFETでの5V動作をサポート
- 各SR MOSFETのドレイン電圧とソース電圧のセンシングのための差動入力
- SO8パッケージ
- 制御機能
- 最小ON時間のないSR制御
- 伝導の終わりに高速で電源OFFするための適応型ゲートドライブ
- アクティブ・ゲート・プルダウンによる低電圧ロックアウト(UVLO)保護
- 外部MOSFETの同時導通を防止するインターロック機能
- 1MHzスイッチング周波数をサポート
アプリケーション
- アダプター
- デスクトップPCおよびオールインワンPC用の電源
- 電源(TV用)
- サーバ用の電源
- 産業用途向け電源
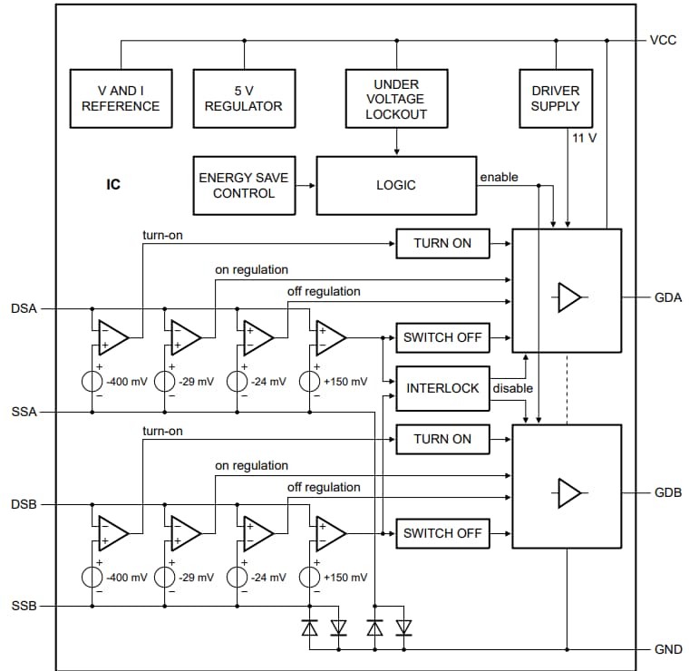
ブロック図
公開: 2022-11-03
| 更新済み: 2023-01-11
