NXP Semiconductors TEA2376xT構成可能インターリーブPFCコントローラ
NXP Semiconductors TEA2376xT構成可能インターリーブPFCコントローラは、高効率電源向けのデジタル2相デバイスです。PFCコントローラは、効率を最適化するために不連続導通モードまたは準共振モードで動作し、バレースイッチングを行います。TEA2376xTコンポーネントは、外部部品数が少なく設計が容易なインターリーブド力率コントローラの構築を可能にします。デジタルアーキテクチャは、信頼性が極めて高いリアルタイム性能を確保する高速で構成可能なハードウェア・ステート・マシンに基づいています。特定のアプリケーション要件を満たすために、電源開発中にI2Cを使用してデバイスに新しい設定をローディングすることで、PFCコントローラの多くの動作および保護設定を調整できます。これらのデバイスは、低プロファイルおよび狭幅(3.9mm)のプラスチック製SO10またはSO14パッケージで入手可能です。高い力率と低い全高調波歪み(THD)を実現するために、入力電流整形が使用されます。ノッチフィルタは、規制ループ内の主周波数コンポーネントを抑制し、低いTHDを維持しながら、より速い過渡応答を可能にします。低負荷時の効率性を向上させるために、位相落ちとバーストモード動作が含まれています。 エネルギースター、エネルギー省、欧州連合のエコデザイン指令、欧州行動規範などの効率とスタンバイ電力規制に適合するために、ICの消費電力がバーストモード動作で低減されます。
TEA2376xTには、内部および外部の過温度保護(OTP)、過電流保護(OCP)、デュアル過電圧保護(OVP)、突入電流保護(ICP)、ピンオープン、ピン短絡保護、および位相障害保護など、多くの保護機能が含まれています。保護は、個別に構成してプログラム可能なパラメータを使用して設定できます。NXP Semiconductors TEA2376xT構成可能インターリーブPFCコントローラは、設計が容易で、高効率かつ信頼性の高いインターリーブPFCを実現します。通常、最大で1000Wの電力レベルに対応しています。
特徴
- 3.9mm幅のプラスチック製SO10(TEA2376AT)またはSO14(TEA2376BTおよびTEA2376DT)パッケージに収められたインターリーブPFCコントローラ
- プログラム可能位相制限とバーストモード動作
- デュアル出力過電圧保護
- 突入電流保護
- 高力率(PF)と低全高調波歪み(THD)を高入力電圧でも実現
- 評価中には、ユーザーフレンドリーなグラフィカルユーザーインターフェイス(GUI)を使用して多くのパラメータを設定可能
- 全入力電圧範囲にわたる良好な位相制御
- 低可聴ノイズ
- スイッチング損失を最小化するバレーゼロ電圧スイッチング
- 高負荷から中負荷、低負荷に至るまでの高効率を、位相落ちおよびバーストモード動作によって実現
- 保護機能を、ラッチ、安全再起動、または数回の再起動試行後にラッチするように独立して設定可能
- デュアル出力過電圧保護(OVP)
- 電源の低電圧保護(UVP)と過電圧保護(OVP)
- 内部および外部過熱保護(OTP)
- 過電流保護(OCP)
- 突入電流保護(ICP)
- 電圧上昇(ブラウンイン)/ 電圧低下(ブラウンアウト)保護
- ピンの断線および短絡保護
- コイル短絡保護
- 出力ダイオードの短絡保護
- オープン制御ループ保護
- 位相障害保護
- TEA2376DTのその他の機能
- Power good出力とバーストモード入力ピン
- 使いやすいGUIを使用して、オシロスコープの読み取りと同様に、(内部)ICの状態値を時間経過とともにリアルタイムでモニタリング
- 動作中のI2C通信
アプリケーション
- HDおよびU-HDテレビ
- サーバー
- デスクトップとオールインワンPC
- ゲーム機
- 高電力アダプタ
- (5G電源):
- ホームオーディオ
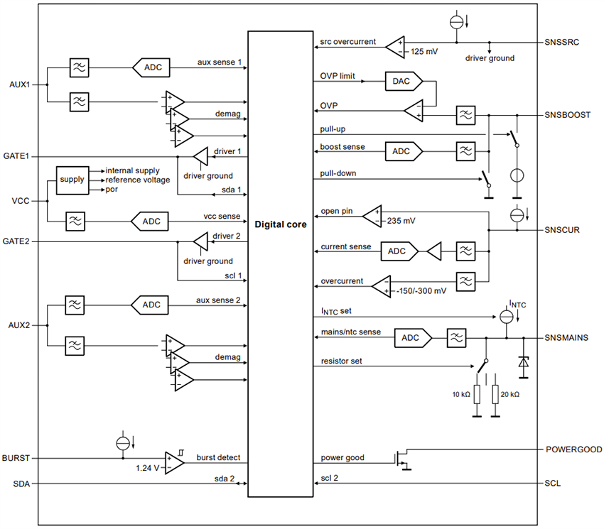
TEA2376AT/TEA2376BTブロック図
TEA2376DTブロック図
公開: 2024-04-02
| 更新済み: 2024-04-09
