onsemi FOD8383/4 高速 MOSFET/IGBTゲート・ドライブ・オプトカプラ
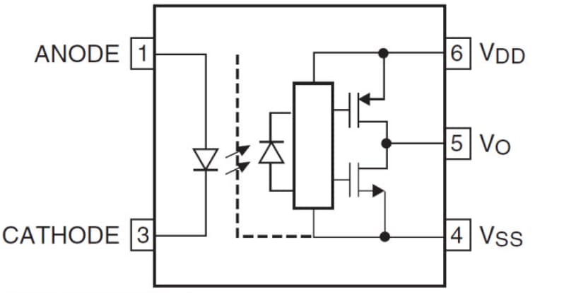
FairchildのFOD8383/4 高速MOSFET/IGBTゲートドライバ・オプトカプラは、ミディアムパワーIGBT/MOSFETを駆動する2.5A出力電流ゲートドライバ・オプトカプラです。モーターコントロールインバーター用途や高性能パワーシステムで使用されるパワーIGBTとMOSFETの高速切り替え駆動に理想的です。FOD8383/4はFairchild独自のOptoplanar® 同一平面パッケージ技術と、最適化したIC設計を利用して、信頼できる優れた高絶縁電圧および高ノイズ耐性を実現します。各デバイスは、プッシュプルMOSFET出力ステージ用の高速ドライバーを搭載した集積回路と光学的に組み合わされた、アルミニウムガリウムヒ素(AlGaAs)発光ダイオード(LED)から構成されます。特徴
- 2.5A output current driving capability
- P-channel MOSFET at output stage enables output voltage swing close to supply rail
- 35kV/μs minimum common mode rejection
- 15V to 30V supply voltage range
- Fast switching speed over full operating temperature range
- 210ns maximum propagation delay
- 65ns maximum pulse-width distortion
- Under-Voltage Lockout (UVLO) with hysteresis
- -40°C to +100°C industrial temperature range
- Safety and Regulatory Approvals:
- UL1577, 5000VACRMS for 1 minute
- DIN-EN/IEC60747-5-5, 1414V peak working insulation voltage
アプリケーション
- AC and brushless DC motor drives
- Industrial inverter
- Uninterruptible power supply
- Induction heating
- Isolated IGBT/power MOSFET gate drive
Additional Resources
Functional Schematic
公開: 2014-09-25
| 更新済み: 2022-03-11
