onsemi FSB50xxxアドバンス・モーション SPM® 5 シリーズ・モジュール
Fairchild のFSB50xxx Advanced Motion SPM® 5 シリーズモジュールは、AC誘導、BLDCおよびPMSモーター用のすべての機能を備えた高性能インバーター出力段を提供します。これらのモジュールは内蔵型MOSFET (FRFET® またはSuperFET® テクノロジーを採用) に最適化されたゲートドライブを組み込み、EMIと損失を最小化する一方で、低電圧ロックアウト、サーマルモニタリング、障害報告、インターロック機能を含む複数のオンモジュール保護機能を提供します。内蔵されている高速HVICは単一電源電圧のみを必要とし、受信したロジックレベルゲート入力をモジュールの内部MOSFETドライブ正しく駆動するために必要な高電圧、高電流駆動信号に変換します。別のオープンソースMOSFET端末は、多種多様な制御アルゴリズムをサポートするために、各段階で利用することができます。特徴
- UL certified no. E209204 (UL1557)
- FRFET or SuperFET MOSFET 3-phase inverter with gate drivers and protection
- Built-in bootstrap diodes that simplify PCB layout
- Separate open-source pins from low-side MOSFETs for three-phase current-sensing
- Active-HIGH interface, works with 3.3V/5V logic, and Schmitt-trigger input
- Optimized for low electromagnetic interference
- HVIC temperature-sensing built-in for temperature monitoring
- HVIC for gate driving and undervoltage protection
- 1500Vrms /1 min. isolation rating
- RoHS compliant
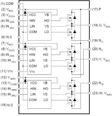
Block Diagram
ビデオ
View Results ( 8 ) Page
| 部品番号 | データシート | 説明 | 動作供給電流 | パッケージ/ケース |
|---|---|---|---|---|
| FSB50550BB | ![]() |
モーター / モーション / イグニッションコントローラとドライバ V3 INV 500V 3OHM | 900 uA | SPM5T-21 |
| FSB50550AS | ![]() |
インテリジェント・パワーモジュール-IPM PWM Controller mWSaver | SPM5Q-23 | |
| FSB50450AS | ![]() |
インテリジェント・パワーモジュール-IPM Smart Power Module | SPM-23 GD | |
| FSB50250AS | ![]() |
インテリジェント・パワーモジュール-IPM Smart Power Module | SPM-23 GD | |
| FSB50250AT | ![]() |
インテリジェント・パワーモジュール-IPM Smart Power Module | SPM-23 ED | |
| FSB50825AS | ![]() |
インテリジェント・パワーモジュール-IPM 250V, 2A, 3PHASE FRFET SMRT PWR MDLE | SPM5Q-23 | |
| FSB50550AB | ![]() |
インテリジェント・パワーモジュール-IPM Motion SPM | SPM23DD-21 | |
| FSB50550AT | ![]() |
インテリジェント・パワーモジュール-IPM Smart Power Module | SPM5N-23 |
公開: 2014-08-04
| 更新済み: 2024-01-05

