特徴
- Glass passivated chip junction
- High surge capacity
- Low forward voltage drop
- 50ns to 75ns maximum fast switching with reverse recovery time
- UL Flammability 94V-0 classification
- MSL 1 per J-STD-020
- RoHS compliant/green molding compound
- Industrial device qualified per AEC-Q101 standards
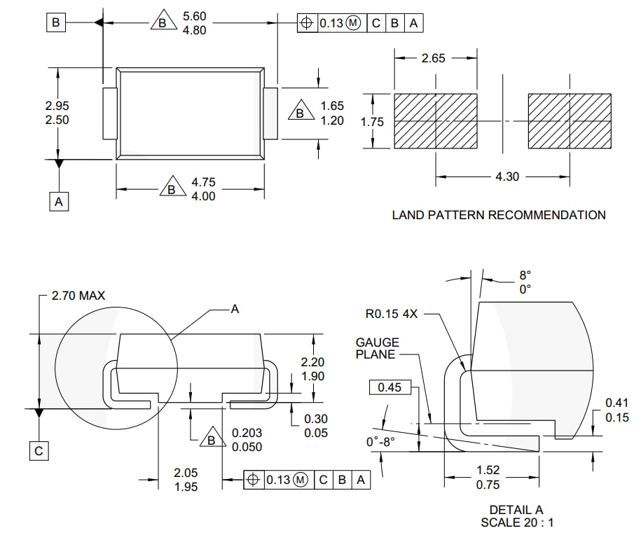
Dimensions
公開: 2016-03-30
| 更新済み: 2022-03-11

