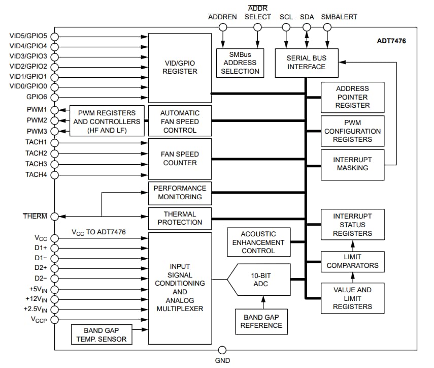
自動ファンスピード制御ループは、指定された温度に対してファンスピードを最適化します。システムの熱ソリューションの有効性は、THERM入力を使用して監視できます。ADT7476は、双方向THERMピンを出力として使用してシステムに重要な熱保護を実現し、システムまたはコンポーネントの過熱を防止できます。
特徴
- 最大5つまで電圧を監視
- 最大4つまでファンを制御および監視
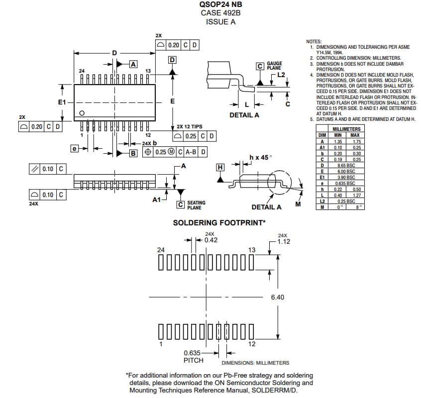
- QSOP-24パッケージ
- 高および低周波数ファン駆動信号
- オンチップ1台、リモート温度センサ2台
- 最高191ºCまでの拡張温度測定範囲
- 測定温度に基づいてシステム冷却を制御する自動ファン速度制御モード
- ファンスピードの変化に対するユーザー認識を劇的に低減する強化された音響モード
- THERM出力による熱保護機能
- Intel® Pentium® 4プロセッサの性能の影響を監視
- THERM経由の熱制御回路
- 3線式および4線式ファンスピード測定
- すべての監視されている値の制限比較
- SMBus 2.0電気仕様に適合
- 無鉛、ハロゲンフリー、RoHS準拠
ADT7476のブロック図
寸法
公開: 2019-11-08
| 更新済み: 2024-01-31

