onsemi FOD848x光絶縁IPM
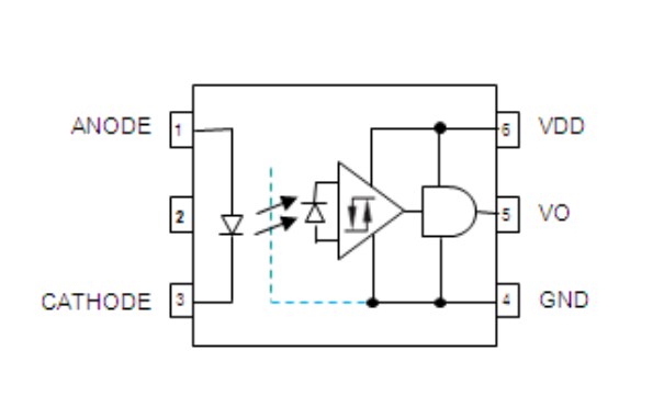
onsemi FOD848x光絶縁インテリジェントパワーモジュール(IPM)は、グランドループまたは危険な電圧を導通することなく、コントローラからIPMへデジタル制御信号を通信します。FOD848x IPMは、ストレッチボディ6ピン小型外形プラスチックパッケージに格納されており、アルミニウムガリウム砒素(AlGaAs)発光ダイオードおよび統合高ゲイン光検出器で構成されています。この光検出器には、差動モードノイズ耐性を実現しているヒステリシスが搭載された検出器閾値があり、出力信号チャリングの可能性が排除されています。非反転出力は、トーテムポールとして設計されており、プルアップ・レジスタを一切必要としません。FOD8482には、最大3.0mAでの低閾値入力電流、IFLHがあります。FOD848xモジュールは、-40°C~+100°Cの拡張産業温度範囲および4.5V~30VのVDD範囲全域で保証されています。また、低IFおよび広いVDD範囲が備わっており、TTL、LSTTL、CMOSロジックとの互換性があります。これによって、他のハイスピードオプトカプラに比べて低電力消費がもたらされます。
特徴
- 最大閾値入力電流、IFLH
- FOD8480 – 5.5mA
- FOD8482 – 3.0mA
- FOD8480T、FOD8482T - 信頼できる高電圧絶縁を達成する8mmのクリーページとクリアランス距離、および0.4mmの絶縁距離
- コモンモード過渡耐性(CMTI)を特徴とする高ノイズ耐性
- 20kV/µs最小CMTI
- 広い動作電圧範囲: 4.5V~30V
- 産業用拡張温度範囲、-40〜+ 100°Cで保証される仕様
- 安全関連の認定
- UL1577、5,000 VACRMS(1分間)
- DIN-EN/IEC60747-5-5、1,140Vピーク作動絶縁電圧
アプリケーション
- 絶縁インテリジェント・パワー・モジュール
- 絶縁の産業用通信インターフェイス
ピン接続
公開: 2019-11-07
| 更新済み: 2025-05-08
