onsemi LV8968BBUWゲートドライバ
onsemi LV8968BBUWゲートドライバは、3相BLDC/PMSMプリドライバで、統合位相電圧センシングおよびロジックレベルFET互換性が備わっています。このゲートドライバは、抵抗性パワーFETとロジックレベルFETを実現できる外付け電力ブリッジに対して400mAゲート電流を実現しています。LV8968BBUWドライバは、プログラマブル・リニアレギュレータ、高速電流センスアンプ、マイクロコントローラ・サポート用のウィンドウウォッチが特徴です。このゲートドライバには広い動作範囲があり、AEC-Q100の認定を受けていて、車載アプリケーションに最適です。LV8968BBUWドライバは、ISO26262アプリケーションに適した保護と監視機能も実現しています。特徴
- 4.5V〜40Vの過渡許容差をともなう8V〜28Vの電源電圧からのフルドライブ電源
- 論理レベルのモードを使用した拡張電圧範囲6V~33V
- 統合プログラマブル・デッドタイム搭載の個別6ゲート制御またはドライブ3モードが備わっている最大30kHz PWMエンジン
- 最大50mAの外部負荷向け5V/3.3Vリニアレギュレータ
- 豊富なシステム保護機能の内容:
- 外部FETのためのドレイン-ソース間ショート検出
- 過電流遮断
- 低ゲート電圧警告
- 過渡温度警告とシャットオフ
- 過/低電圧保護
- パラメータ設定と診断アクセス、デッドタイムへの動的アクセス、アンプゲイン、短絡レベルのためのSPIインターフェイス
- 重要なシステムパラメータを保存するための不揮発性(OTP)メモリ
- ラインおよびPWMインターフェイスを実現できる広い電圧
- 統合ウィンドウ・ウォッチドッグ・タイマ機能
- AEC-Q100認定およびPPAP対応
- 最高175°Cまでの過渡動作を対象とした高熱効率の露出ダイ48ピンSQFPパッケージ
- 無鉛、ハロゲンフリー/BFRフリー、RoHS準拠
アプリケーション
- 車載用燃料、油、水、または油圧ポンプ
- 車載用アクチュエータ
- 車載用HVACおよび冷却ファン
- バッテリ駆動ハンドパワーツール
- 白物家電
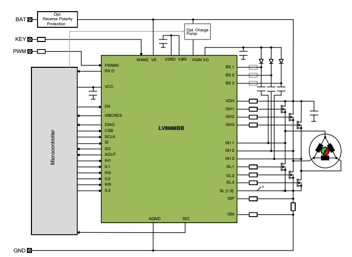
標準アプリケーションの回路図
ブロック図
公開: 2019-07-16
| 更新済み: 2024-02-06
