onsemi NCV7422デュアルLINトランシーバ
Onsemi NCV7422デュアル・ローカル相互接続ネットワーク(LIN)トランシーバは、LINプロトコルを使用する2チャネルの物理層デバイスです。このトランシーバは、2つの独立したLIN物理バスとLINプロトコル・コントローラをインターフェイスします。LINバスは、ドアロック、ミラー、カーシート、サンルーフといった制御デバイスから低レートのデータを可能な限り最小限のコストで通信できるように設計されています。このバスは可能な限り配線を排除し、各ノードで1本の電線を使用して実装されます。 onsemi NCV7422 LINトランシーバは、車載ネットワーキング(IVN)トランシーバに属します。このトランシーバは、ISO 17987-4 (LIN仕様 rev.2.xおよび1.3と下位互換性があり) およびSAE J2602に準拠しています。特徴
- 2チャンネル物理層デバイス
- IVNトランシーバファミリに属しています。
- ±42Vバス電圧
- 1kbps~20kbps伝送速度範囲
- TXDタイムアウト機能
- 統合スロープ制御
- 保護
- 熱シャットダウン
- 低電圧検出
- 車載環境における過渡に対して保護されたバス・ピン
- NCV7329 DFN8パッケージとのピン互換性
- K-Line互換
- Wettable Flank DFN-14グリーンパッケージ
- モード
- ノーマルモード-LINトランシーバは有効、バス経由の通信が可能
- スリープモード-LIN トランシーバは無効、VBB からの消費が最小限に抑えられる
- スタンバイモード-LINバスでのウェイクアップイベント後に遷移モードに到達
- ISO 17987-4, LIN2.2a, LIN2.2, LIN2.1, LIN 2.0, SAEJ2602規格に準拠
- AEC-Q100認定およびPPAP対応
ブロック図
その他の資料
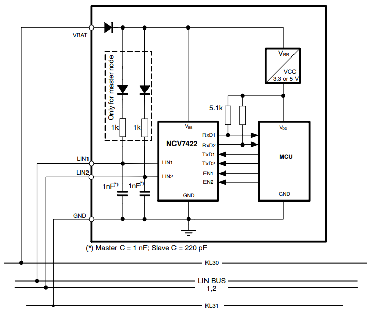
アプリケーション回路図
公開: 2020-06-08
| 更新済み: 2024-05-23
