特徴
- 低圧側チャンネル4個
- 600mA低圧側ドライバ
- 1.1Ω (標準) および2.2Ω (最大) RDS(on)
- 16ビットSPIコントロール:
- フレームエラー検出(8ビット)
- ディジーチェーン機能
- PWM動作向けのパラレル入力ピン
- 断線検出がない起動(LEDアプリケーション用)
- スリープモードとスタンバイモードでの低自己消費電流
- ホーム機能の制限
- 3.3Vおよび5V対応デジタル入力供給範囲
- 障害レポート:
- オープン負荷検出(セレクタブル)
- 過負荷
- 過熱
- パワーオンリセット(VDD、VDDA)
- SSOP-24パッケージ(内部溶着リード)
- AEC-Q100認定およびPPAP対応
- 無鉛デバイス
アプリケーション
- 車体
- エンジン制御装置
- リレードライブ
- LEDドライブ
- ステッパモータ駆動
ブロック図
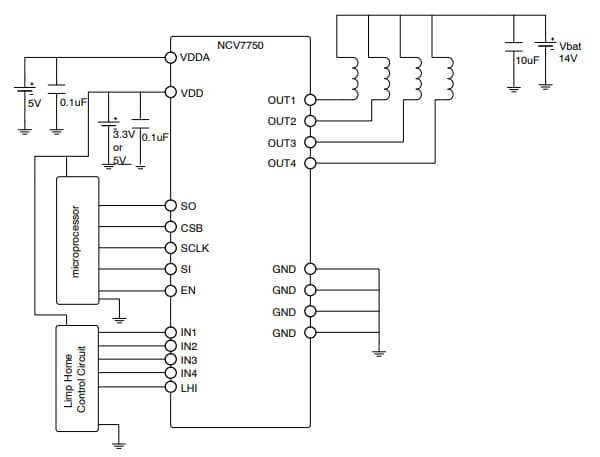
アプリケーション図
公開: 2019-07-21
| 更新済み: 2024-02-13

