onsemi 3レベルNPC Q2PackおよびQ2BOOSTモジュール
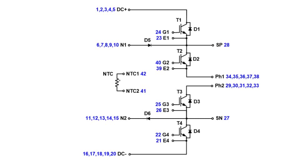
Onsemi NXH350N100H4Q2F2 3レベルNPC Q2Packモジュールは、単一のIタイプNPC段を含む電源統合モジュール (PIM) です。IタイプNPC段には、中性点クランプ用に100A、1200V SICダイオード、外側IGBT用に350A、1000V IGBT、内側IGBT用に400A、1000V IGBTが含まれます。Onsemi NXH350N100H4Q2F2 Q2Packモジュールは、他の1200V IGBTソリューションよりも高い出力電力を提供し、オンボードサーミスタを搭載しています。Onsemi Q2BOOSTモジュールは、さまざまな製造プロセスをサポートする柔軟性によって優れた効率性と熱損失を提供します。特徴
- Field Stop(フィールドストップ) テクノロジーによる効率性の高いトレンチ
- 低スイッチング損失によってシステムの電力損失を低減
- 高電力密度に対応できるモジュール設計
- 低誘導レイアウト
- 薄型パッケージ
- 鉛フリー、ハロゲンフリー / BFRフリー、RoHS準拠
アプリケーション
- ソーラーインバータ
- 無停電電源システム
スキーム図
PIN接続
公開: 2020-09-25
| 更新済み: 2025-07-24
