onsemi NFAP1060L3TTインテリジェント・パワー・モジュール(IPM)
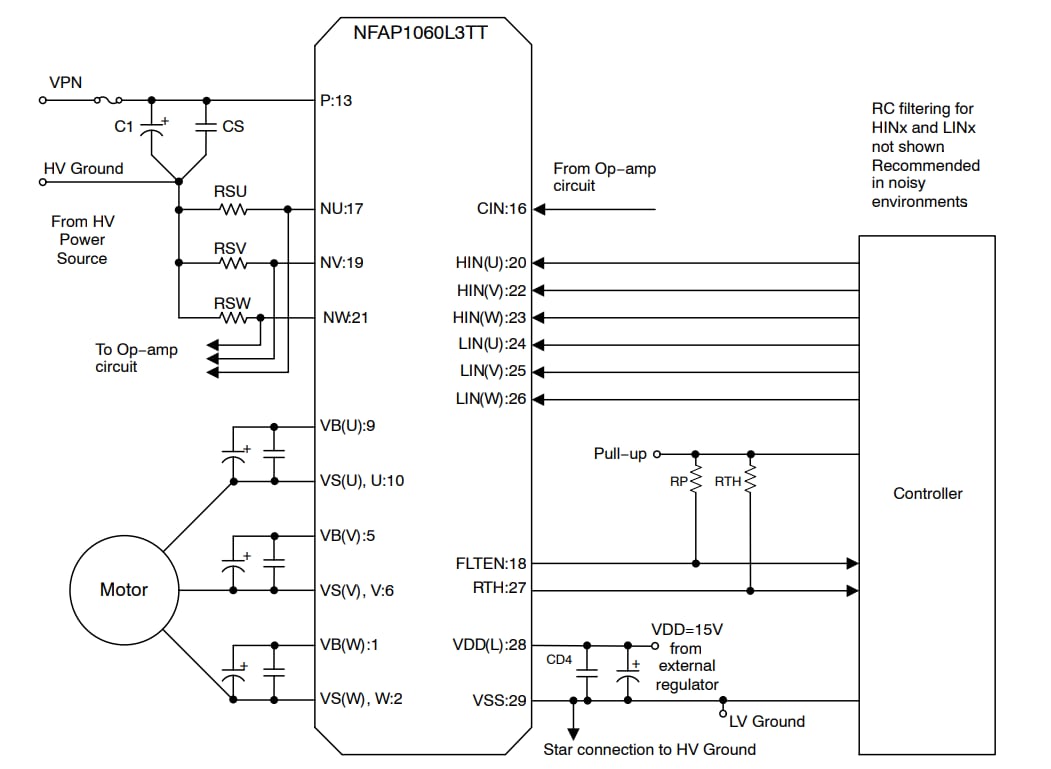
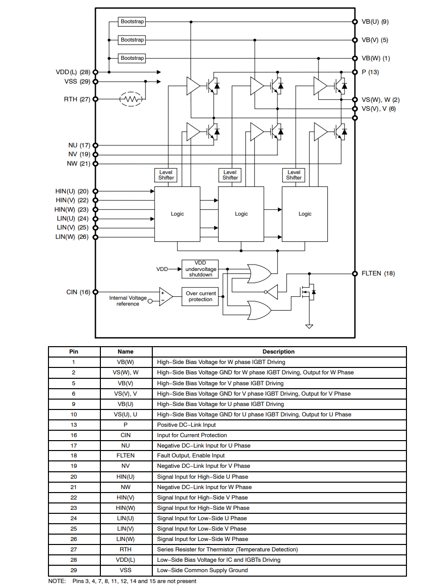
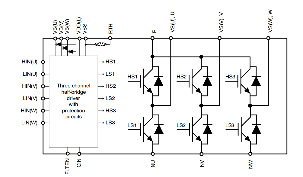
onsemi NFAP1060L3TTインテリジェント・パワー・モジュール(IPM)は、完全に統合されたインバータ電力段です。NFAP1060L3TTは、高電圧ドライバ、6個のIGBTとサーミスタで構成されており、永久磁石同期(PMSM)モータ、ブラシレスDC(BLDC)モータ、AC非同期モータの駆動に適しています。また、クロス導通保護、外部シャットダウン、低電圧ロックアウトを含めて、完全に揃った保護機能を備えています。過電流保護レベルは、過電流保護回路に接続された内部コンパレータおよびリファレンスを使用してセットできます。特徴
- 3相10A/600V IGBTモジュール(統合ドライバ搭載)
- コンパクトな44mm x 20.9mmシングル・インライン・パッケージ
- 内蔵低電圧保護
- クロス導通保護
- 調節可能な過電流保護レベル
- 統合ブートストラップダイオードとレジスタ
- 基板温度計測用サーミスタ
アプリケーション
- 工業用駆動
- 工業用ポンプ
- 産業用ファン
- 産業用オートメーション
機能図
アプリケーション図
ブロック図
公開: 2019-04-30
| 更新済み: 2025-12-18
