特徴
- コンパクトで効率的な設計を実現するための設計:
- 非常に高い周波数 (VHF)
- 超高周波数 (UHF)
- AGC (自動ゲインコントロール)
- 無鉛、ハロゲンフリー、RoHS準拠
- AEC-Q101認定済および生産部品承認プロセス(PPAP)対応
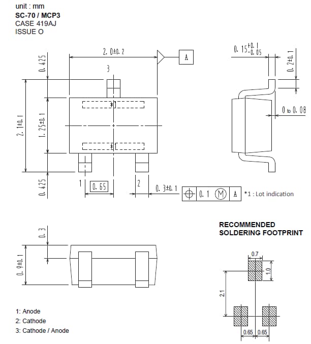
- SC-70とのピン互換性があるMCP3パッケージ
アプリケーション
- 車載アプリケーション
- ラジオ用の自動ゲインコントロール
仕様
- 0.23pF(typ)の小さい介入容量
- 2.5Ω(typ)の小さい順方向直列抵抗
- 50Vの逆電圧
- 50mAの順方向電流
- 100mWの許容消費電力
- -55°C~-125°Cの動作接合部および保管温度
機械図面
公開: 2019-07-03
| 更新済み: 2024-02-02

