onsemi NCV7240 Gate Driver
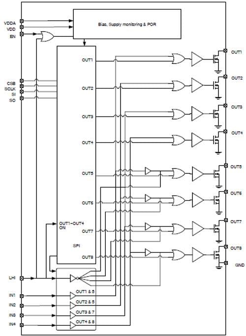
onsemi NCV7240 Gate Driver is an automotive eight-channel low-side driver with a drive capability of up to 600mA per channel. The 16-bit SPI port on the NCV7240 provides output control and convenient reporting of faults for the open load (or short to ground), overload, and over-temperature conditions. Parallel control of the outputs is offered through the INx pins. Limp Home Functionality is achieved with a dedicated limp−home mode pin (LHI) that enables OUT1−OUT4 while disabling OUT5 to OUT8. Each output driver is protected for overload current and includes an output clamp for inductive loads. AEC−Q100 Qualified and PPAP Capable, the NCV7240 Gate Driver is ideal for automotive body control units, automotive engine control units, relay drives, LED drives, and stepper motor drivers. onsemi NCV7240 Gate Driver is available in an SSOP−24 fused lead package.Features
- 8 channels
- Saves board space as compared to lower count drivers
- 600mA low-side drivers
- RDS(on) 1.5Ω (typ), 3Ω (max)
- Ideal current for driving 70Ω relays
- 16-bit SPI Control
- Frame error detection (8−bit)
- Able to report errors and is capable of daisy chain connections
- Parallel input pins for PWM operation
- Withstands vibration for chassis applications
- Power up without open circuit detection active (for LED applications)
- Allows for power up without LED load illumination
- Low quiescent current in sleep and standby modes
- Meets stringent automotive module quiescent current requirements
- Limp home functionality
- Automotive system feature allowing the vehicle to maintain operation with a defective microprocessor
- 3.3V and 5V compatible digital input supply range
- Suitable for both 3.3V and 5V microprocessor interfaces
- Fault reporting for open load detection (selectable), overload, and over temperature
- Reports unusual activity for troubleshooting and system integrity purposes
- Power-on reset (VDD, VDDA)
- Maintains a smooth system power up and power down
- Uniform output structure of all outputs on one side of the package
- Simplifies printed circuit board layouts
- AEC-Q100 qualified and PPAP capable
- Automotive requirement maintains site and change control
Applications
- Relay drivers
- LED drivers
- Stepper motor drivers
Block Diagram
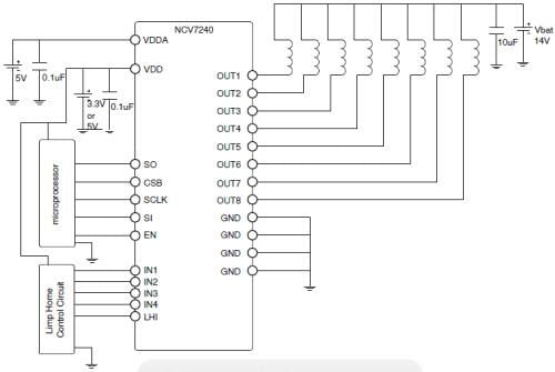
Application Diagram
公開: 2013-09-24
| 更新済み: 2022-03-11
