onsemi BCP53M PNP中電力トランジスタ
onsemi BCP53M PNP中電力トランジスタは、汎用アンプアプリケーション用に設計された80V、1Aデバイスです。このトランジスタは、最適な自動光学検査(AOI) を目的としたウェッタブルフランクDFN2020-3パッケージに格納されており、優れた熱性能を備えています。BCP53M中電力トランジスタは、-65°C ~150°Cの接合部および保管温度範囲で動作します。このPNPトランジスタは、AEC-Q101の認定を取得しており、PPAP対応、無鉛、ハロゲンフリー/BFRフリーで、RoHSに準拠しています。BCP53M中電力トランジスタは、汎用スイッチングと増幅、車載用ECUに最適です。特徴
- 最適な自動光学検査(AOI)のためのウェッタブルフランクパッケージ
- 固有のサイトと制御変更要件を必要とする車載用およびその他のアプリケーションを対象としたNSVプレフィックス
- 動作接合部およびストレージ温度範囲: -65°C~150°C
- AEC-Q101認定およびPPAP対応
- 無鉛、ハロゲンフリー/BFRフリー、RoHS準拠
アプリケーション
- 汎用スイッチングと増幅
- 自動車用ECU
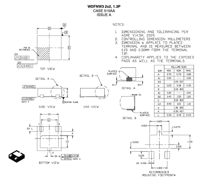
パッケージ寸法
公開: 2024-09-11
| 更新済み: 2024-10-18
