onsemi MT9M114デジタル画像センサー評価ボード
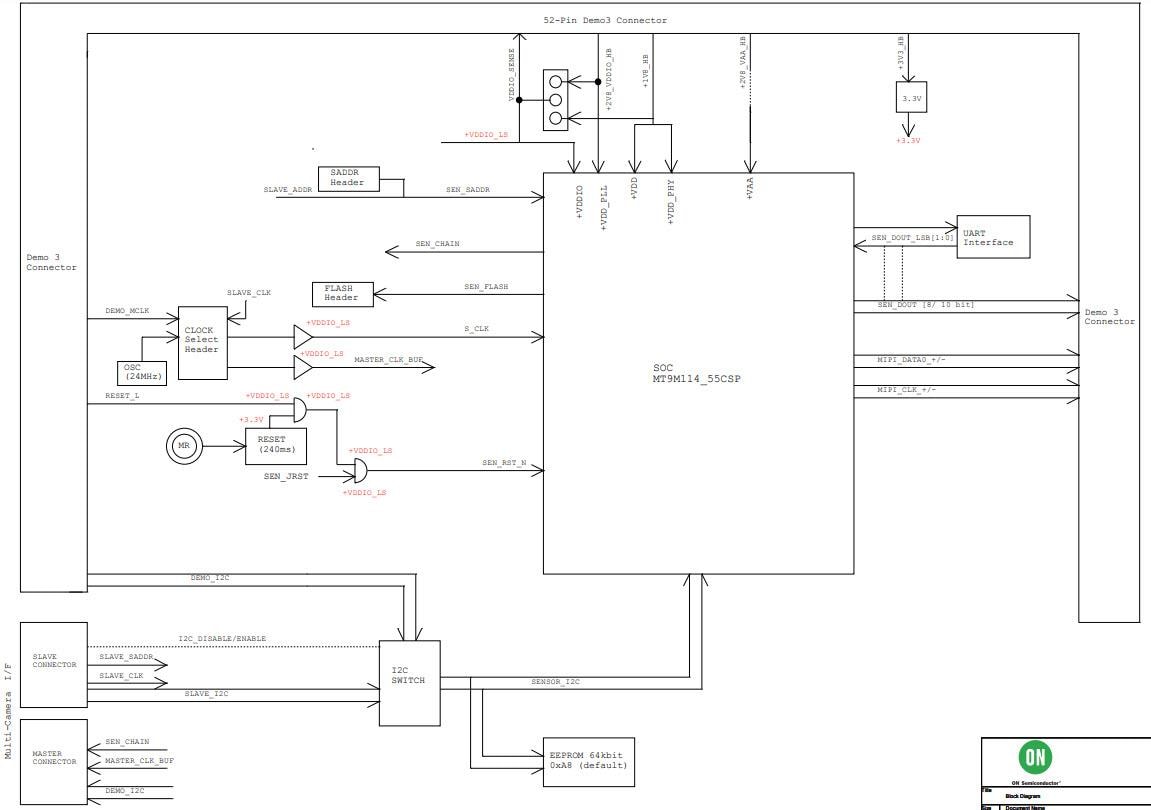
onsemi MT9M114EBLSTCZH3-GEVBは、MT9M114 1/6インチ高品位システムオンチップ(SOC)デジタル画像センサ用評価ボードです。1.26Mp MT9M114 CMOSセンサは、296H x 976Vのアクティブ画素を提供し、低ライト性能用にに設計されてます。このセンサには、自動エクスポージャ制御、自動ホワイトバランス、黒レベルの制御、フリッカ回避、欠陥の補正を含む洗練されたカメラ機能を提供します。MT9M114は、非常に鮮明でシャープなデジタル写真を提供しています。その特徴により、MT9M114を携帯電話、PCとノートブックカメラ、ゲームシステムを含む広範なアプリケーションに理想的な選択肢としています。MT9M114デジタル画像センサ用に特別に設計された、MT9M114EBLSTCZH3-GEVBヘッドボード(HB)は、Dome 2Xシステムへの直接プラグインに対応しています。この評価ボードは、クロック入力、2線式シリアルインターフェース、パラレルインターフェース、MIPIインターフェースが備わっています。これらのHB機能には、ボード上のテストポイントとジャンパ経由でアクセスが可能です。MT9M114デジタルイメージセンサ評価ボードのブロック図
公開: 2017-05-15
| 更新済み: 2022-03-11
