onsemi NCD57000 & NCD57001大電流IGBTドライバ
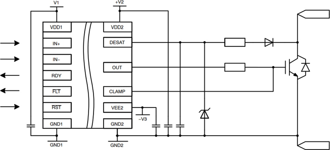
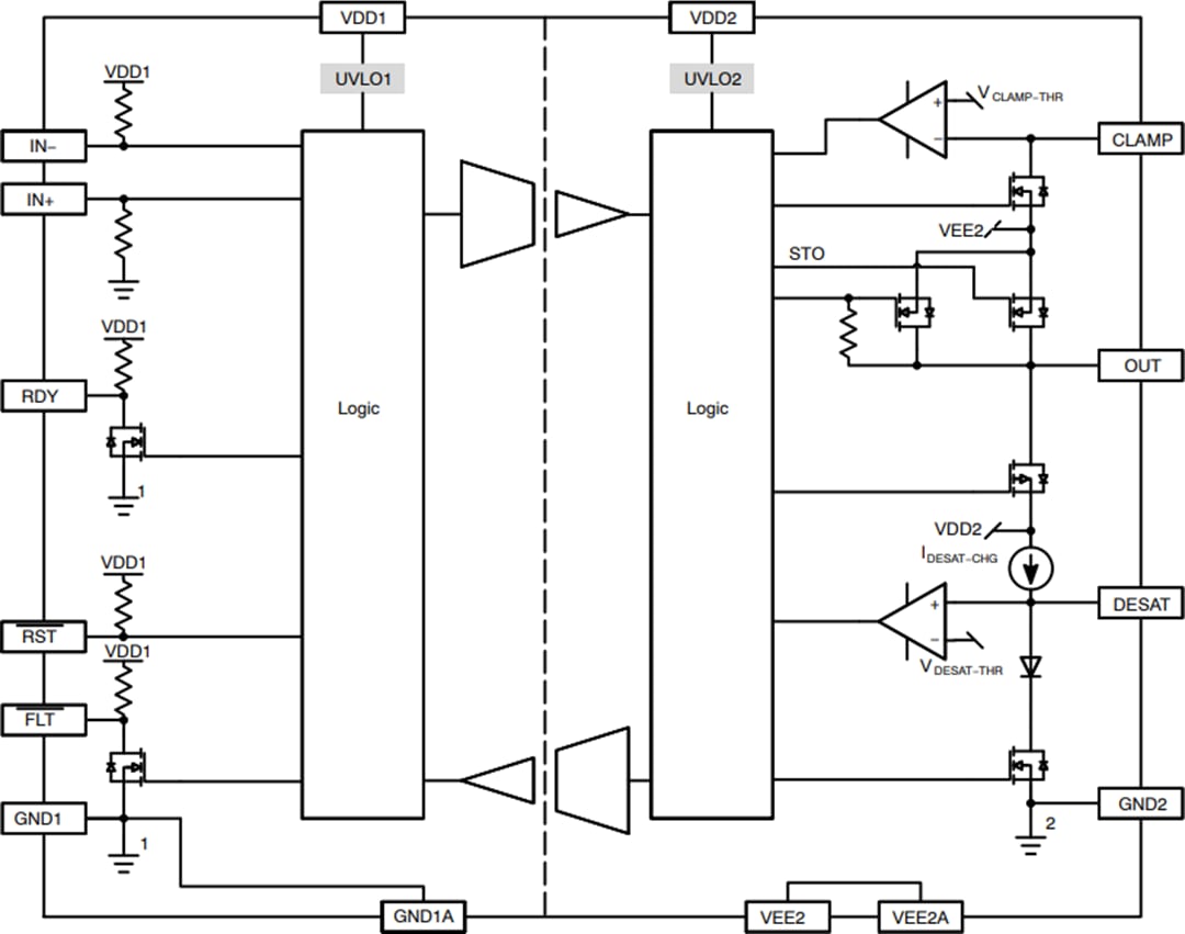
onsemi NCD57000およびNCD57001大電流IGBTドライバは、内部ガルバニック絶縁が備わっているシングルチャネルIGBTゲートドライバで、高電力アプリケーションでの高システム効率性と信頼性を目的に設計されています。NCD57000およびNCD57001 IGBTドライバは、相補入力、オープン・ドレインFAULTおよびREADY出力、アクティブ・ミラークランプ、精密なUVLO、DESAT保護、DESATでのソフトターンオフが特徴です。また、NCD57000 IGBTドライバには、システム設計の柔軟性と利便性を目的とした高および低(OUTHおよびOUTL)ドライバ出力がそれぞれ備わっています。NCD57000およびNCD57001はどちらも、入力側の5.0Vおよび3.3V信号、および負の電圧機能を含めたドライバ側の広いバイアス電圧範囲に対応しています。これらのデバイスは、>5kVrms(UL1577定格)ガルバニック絶縁および>1200Viorm(作動電圧)機能を実現しています。
NCD57000およびNCD57001 IGBTゲート・ドライバは、ワイドボディSOIC-16パッケージでご用意があり、入力と出力の間の8mm沿面距離が保証された安全性強化絶縁要件を満たしています。これらのデバイスは、無鉛、ハロゲンフリー、RoHS準拠
特徴
- IGBTミラープラトー電圧で大電流出力(+4A/-6A)
- 強化されたIGBT駆動用低出力インピーダンス
- 正確なマッチングによる短伝播遅延
- スプリアスGATEターンオンを防止するアクティブミラークランプ
- プログラマブル遅延でのDESAT保護
- 別々のハイおよびロー(OUTH、OUTL)ドライバ出力(NCD57000のみ)
- DESAT向け負の電圧(最低-9V)機能
- IGBT短絡時のソフトターンオフ
- 短絡時のIGBTゲートクランプ
- IGBTゲート・アクティブ・プルダウン
- バイアスの柔軟性のための厳しいUVLO閾値
- 負のVEE2を含む広いバイアス電圧範囲
- 3.3V~5.0Vの入力供給電圧
- AEC-Q100認証向け設計
- (UL1577要件を満たす)5000Vガルバニック絶縁
- 1200V作動電圧(VDE0884-11要件に準拠)
- 高過渡耐性
- 高電磁気耐性
- パッケージ: SOIC-16 WB
- 無鉛、ハロゲンフリー、RoHS準拠
アプリケーション
- ソーラーインバータ
- モータ制御
- 溶接
- 無停電電源(UPS)
- 産業用電源
ビデオ
ブロック図
アプリケーション回路概略
公開: 2019-02-27
| 更新済み: 2025-03-04
