onsemi NCD57001FDWR2G絶縁型IGBTゲートドライバ
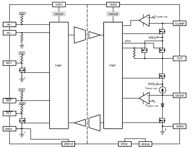
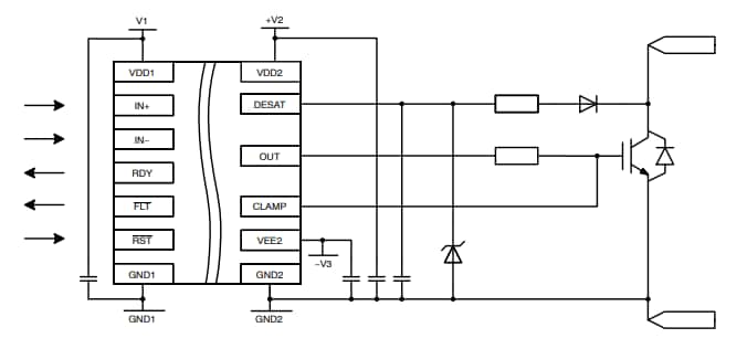
Onsemi NCD57001FDWR2G絶縁型大電流IGBTゲートドライバは、高いシステム効率性と信頼性のために設計された、内部ガルバニック絶縁のシングルチャンネルIGBTドライバです。このゲートドライバは、相補入力、オープンドレインのFAULTとReady出力、アクティブミラークランプ、正確な不足電圧ロックアウト(UVLO) 、DESAT保護、DESATでのソフトターンオフが特徴です。Onsemi NCD57001FDWR2Gゲートドライバは、入力側で5Vおよび3.3V信号に対応し、ドライバ側でが負の電圧機能を含む広いバイアス電圧範囲に対応します。このゲートドライバは、5kVrms (UL1577定格) 以上のガルバニック絶縁と1200Viorm (動作電圧) 以上の機能を提供します。代表的なアプリケーションには、ソーラーインバータ、モーター制御、無停電電源装置 (UPS) 、産業用電源、溶接があります。特徴
- IGBT Miller Plateau電圧で+4/-6Aの大電流出力
- 強化されたIGBT駆動用低出力インピーダンス
- 正確なマッチングによる短伝播遅延
- スプリアスGATEターンオンを防止するアクティブミラークランプ
- プログラマブル遅延でのDESAT保護
- DESAT用の負電圧 (最低-9V) 機能
- IGBT短絡時のソフトターンオフ
- 短絡時のIGBTゲートクランプ
- IGBTゲート・アクティブ・プルダウン
- バイアスの柔軟性のための厳しいUVLO閾値
- 負のVEE2 を含む広いバイアス電圧範囲
- 入力電源電圧範囲 3.3V~5V
- AEC-Q100認証向け設計
- (UL1577要件を満たす)5000Vガルバニック絶縁
- 1200V作動電圧(VDE0884-10要件に準拠)
- 高過渡耐性
- 高電磁気耐性
- リードフリー、ハロゲンフリー、RoHS準拠
アプリケーション
- ソーラーインバータ
- モーター制御
- UPS
- 産業用電源
- 溶接
ブロック図
アプリケーション図
公開: 2020-06-01
| 更新済み: 2024-06-06
