onsemi NCD57090 & NCV57090 IGBT/MOSFETゲートドライバ
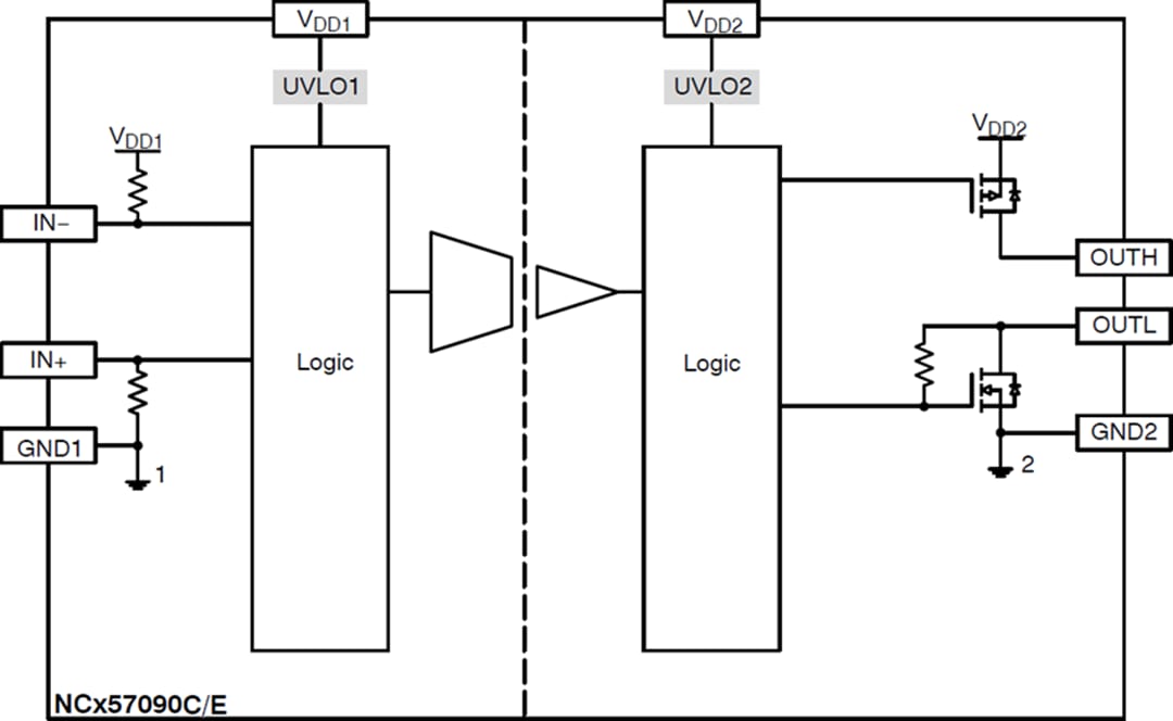
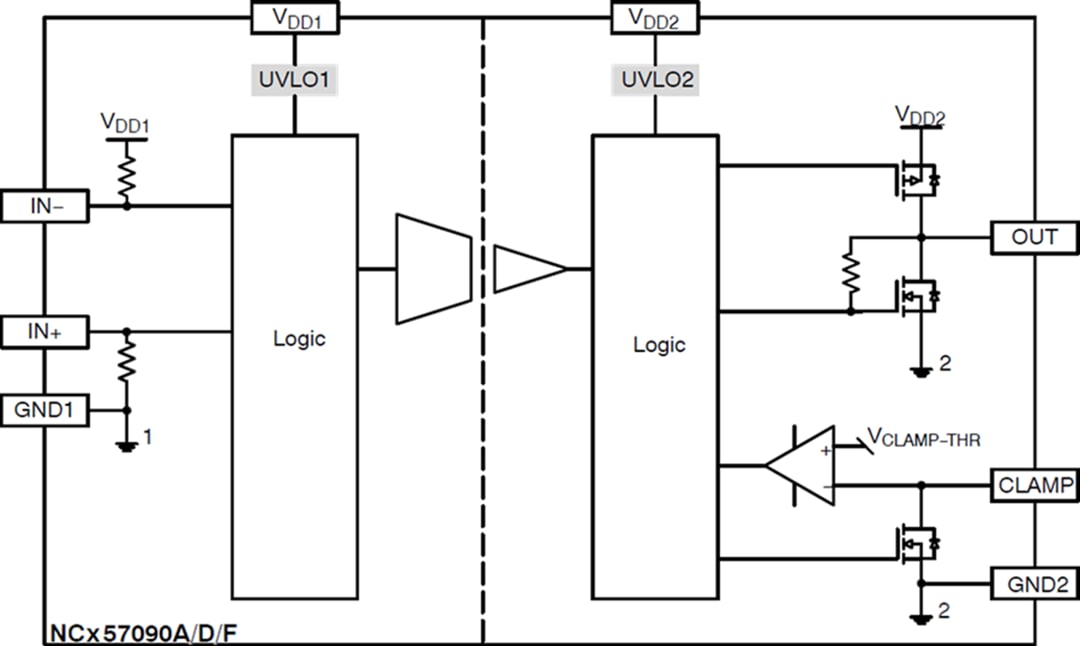
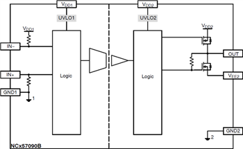
onsemi NCD57090およびNCV57090 IGBT/MOSFETゲートドライバは、5kVrms内部ガルバニック絶縁を用いたIGBTおよびMOSFETを対象とした大電流シングルチャンネルゲートドライバです。NCD57090およびNCV57090は、高電力アプリケーションでの高いシステム効率と信頼性を実現しています。これらのデバイスは、相補入力を受け入れます。また、ピン構成に応じてアクティブ・ミラー・クランプ、負の電源、システム設計がしやすいハイ/ロー(OUTH/OUTL)別ドライバ出力といった機能があります。NCD57090およびNCV57090は、3.3V~20.0Vの広範な入力バイアス電圧と信号レベルに対応しています。Onsemi NCD57090およびNCV57090 IGBT/MOSFETゲートドライバは、コンパクトなSOIC-8パッケージで提供されます。NCV57090は、AEC-Q100の認定を取得しており、車載アプリケーション向けのPPAPに対応しています。
特徴
- AEC-Q100認定およびPPAP対応(NCV57090のみ)
- 大ピーク出力電流:+6.5A/-6.5A
- 低クランプ電圧降下によって、スプリアス・ゲート電源ONを防止する負の電源が不要(型式A、D、F)
- 正確なマッチングによる短伝播遅延
- 短絡時のIGBT/MOSFETゲートクランプ
- IGBT/MOSFETゲート・アクティブ・プルダウン
- バイアスの柔軟性に向けた厳しいUVLO閾値
- 負のVEE2を含む広いバイアス電圧範囲(型式B)
- 3V、5.0V、15.0Vロジック入力
- 5kVrmsガルバニック絶縁
- 高過渡耐性
- 高電磁気耐性
- 最大接合部温度: 150°C
- -40°C~+125°C動作温度範囲
- SOIC-8パッケージ
- 無鉛、ハロゲンフリー/BFRフリー、RoHS準拠
アプリケーション
- 車載アプリケーション(NCV57090のみ)
- モーター制御
- 無停電電源(UPS)
- 産業用電源
- ソーラーインバータ
ピン指定
パッケージ外形
公開: 2021-03-12
| 更新済み: 2024-03-05
