onsemi NCL30159 LLCコンバータコントローラ
Onsemi NCL30159 LLC コンバータ・コントローラは、最大 750kHz の周波数範囲 で広い出力条件で、広い調光 範囲の動作を提供します。この NCL30159 インダクタ・インダクタ・コンデンサ (LLC) は、スタンバイ、オープンストリング保護、専用起動での高効率性を備えた一次側電流モード・コントローラです。コンバータ・コントローラは、高電圧起動とブラウン−出力の検出を提供し、電源 や LED ストリング・ドライバの設計を大幅に簡素化します。このNCL30159コントローラを使用すると、最大電力制限機能が可能になります。PWM調光と連動したアナログ調光機能は、ウィンドウLEDドライバの設計とLEDストリングからの全光束の制御に使用されます。このコンバータ・コントローラは、SOIC‐16 パッケージであり、ハーフブリッジ出力ドライバと一次電流センシングを統合します。この
コントローラは、最小限の外部コンポーネントで照明アプリケーションに適しています。代表的なアプリケーションには、ウィンドウ (CP) LEDドライバ、調光式LEDドライバ、低コストの高効率LED照明、EVバッテリ充電器、TVセット電源があります。
特徴
- ブラウンアウト検出を備えた統合高電圧スタートアップ回路
- 最大750kHzの高周波数動作(20kHzから)
- 電流モード制御スキーム
- 最大デッドタイムクランプが備わった自動デッドタイム
- 過電流およびオープンストリング保護
- 短絡LEDストリング保護
- 無負荷動作での独自のスキップサイクル
- ハードスイッチングを回避する専用ソフトスタートシーケンス
- 無鉛デバイス
仕様
- ローサイドドライバ電圧降下:50mV
- 出力ソース短絡電流:0.8A
- 出力シンク短絡電流:1.5A
- リーク電流:10μA
アプリケーション
- 低コストの高効率LED照明(50W ~ 300W)
- ウィンドウ(CP)LEDドライバ
- 調光式LEDドライバ
- EVバッテリ充電器
- TVセット電源
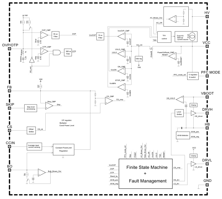
ブロック図
ピン接続
公開: 2023-12-19
| 更新済み: 2024-05-29
