onsemi NCP1362コントローラは、高負荷時にバレー・ロックアウト疑似共振ピーク電流モード制御モードで動作し、高効率を実現します。セカンダリ・サイドの電力が下がり始めると、コントローラがデューティ比を自動調整します。その後はバレー・スイッチング検知によって、低負荷時には、固定ピーク電流でのパルス周波数変調に入ります。この技術により、小さいダミー負荷で、出力レギュレーションを保持します。最初の4バレーでのバレー・ロックアウトにより、バレーのジャンピング動作を防止した後、低負荷時のバレー・スイッチングによって高効率を実現します。
特徴
- 定電圧プライマリサイド・レギュレーション:<±5%
- 定電流プライマリサイド・レギュレーション:<±5%
- 専用のLFFピンとBOピンによる保護機能:
- BO検出
- CCレギュレーションを改善するためのLFF
- 最適化された軽負荷効率とスタンバイ性能
- 最大周波数クランプ (クランプなし、80kHz、110kHz、140kHz)
- サイクル毎のピーク電流制限
- 出力電圧の低電圧保護と過電圧保護 (UVP、OVP)
- 擬似共振(電流モード)により、バレー・スイッチング動作(の安定性を確保)
- 二次側ダイオードまたは巻線短絡保護
- 広い動作VCC 範囲 (最大28V)
- 低スタートアップ電流
- CSおよびVS/ZCDピンのショート/オープン保護
- 内部温度シャットダウン
- 内部周波数ジッタリングおよび固定周波数ジッタリングがEMIシグネチャを抑制
- デュアルゼロのピーク電流により、軽負荷状態での効率(負荷10%)とスタンバイ性能(無負荷)の両方を最適化
- フォルト入力が重大なフォルト状態に直ちに反応。OTPのためのNTC互換性
- 鉛フリーデバイス
アプリケーション
- 低消費電力AC/DCアダプタ(ルータとセットトップ・ボックス用)
- 低消費電力AC/DCアダプタ(充電器用)
パッケージ・スタイル
AC入力電圧の標準的なアプリケーション回路図
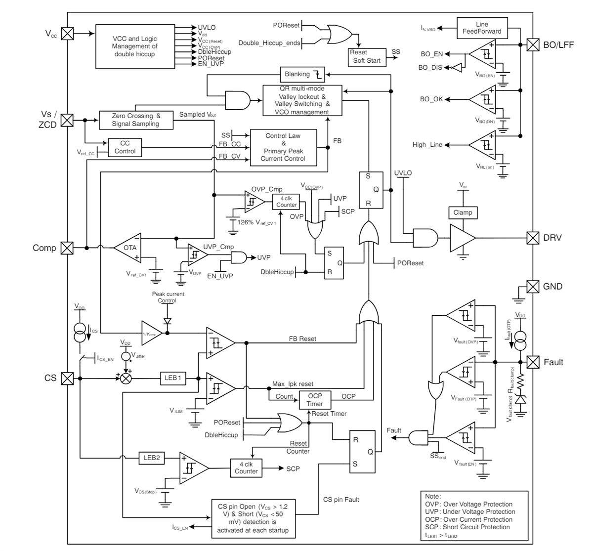
機能ブロック図
公開: 2024-05-17
| 更新済み: 2024-06-07

