onsemi NCP51105シングル、2.6A、ローサイド・ゲートドライバ
onsemi NCP51105シングル、2.6A、ローサイド・ゲートドライバは、パワーMOSFETおよびIGBTを駆動するように設計された高電流ドライバです。ロジック入力は、CMOSおよびTTL出力との互換性があります。NCP51105は、スイッチング電流検出抵抗の両端で負電圧を検出して過電流保護を提供する過電流保護回路 (OCPピン) および、MCUなどの外部コントローラに障害状態をレポーティングすることができるENピンを備えています。通常動作に戻すには、ENピンを閾値より高い電圧までプルアップする(引き上げる)必要があります。ENピンをプルダウンする(引き下げる)と、すべての障害状態で出力が無効になります。内部VDD回路は低電圧ロックアウト機能を提供し、電源電圧が動作範囲内に回復するまで出力をLowに保持します。また、ENピンに接続されている抵抗とキャパシタンスの時定数により、障害回復時間を設定することもできます。特徴
- 広い動作電圧範囲 最大25Vまで
- ピークシンク/ソース電流 2.6A
- 伝搬遅延時間 50ns未満
- 負電圧の検出による過電流保護
- TTLおよびCMOSの広い電圧範囲に対応する入力ロジック
- 調整可能な障害クリアタイミング
- MOSFETおよびIGBTの低電圧ロックアウト
- 周囲温度範囲: -40°C~+125°C
- パッケージ TSOP-6
- 鉛フリー、ハロゲン化物フリー、RoHS準拠
アプリケーション
- スイッチモード電源
- 高効率のMOSFETスイッチング
- 同期整流回路
- DC/DCコンバータ
- モーター制御
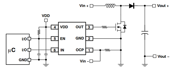
簡略アプリケーション
内部ブロック図
公開: 2024-07-31
| 更新済み: 2024-08-13
