onsemi NCP81239/A USB PDコントローラ
onsemi NCP81239/A USB PDコントローラは、同期バックブーストであり、標準およびCタイプのUSBケーブル経由で、バッテリまたはアダプタ電圧をUSB PD(電力供給)に必要な電源レールに変換するように最適化されています。USB PDまたはC−タイプインターフェースコントローラと連動させて使用する際に、NCP81239は、USB電源供給仕様に完全に準拠しています。NCP81239は、入力電圧より高いまたは低いいずれかの電圧が必要な、動的に制御されたスルーレート制限された出力電圧を必要とするアプリケーション向けに設計されています。NCP81239は4つのNMOSFETスイッチを駆動し、それをバックまたはブーストし、民生用およびプロバイダのロールスワップ機能のサポートを可能にします。このデバイスは、4.5V~28Vの供給および負荷範囲で動作し、バッテリまたはアダプタ電圧を電源レールに変換するように設計されています。4スイッチバックブーストコントローラには、I2Cインターフェイスが搭載されています。NCP81239/A USB PDコントローラは、コンパクトなクワッド・フラット無鉛(QFN)パッケージで販売されており、スペースに制約のあるアプリケーションに最適です。
特徴
- 4.5V~28Vの広い入力電圧範囲(VI)
- 150kHz~1.2MHzの動的にプログラムされた周波数
- I2Cインターフェイス
- リアルタイム電源正常インジケータ
- 制御されたスルーレート電圧遷移
- 内部でプログラミングされたリファレンスが備わったフィードバックピン
- USBPD、QC2.0、QC3.0プロファイルに対応
- 2つの独立した電流センシング入力
- 過熱保護
- 適応型非オーバーラップ・ゲート・ドライバ
- フィルタコンデンサスイッチ制御
- 過電圧および低電流保護
- デッドバッテリ電力サポート
- 最大接合部温度: 150°C(TJ)
- 動作温度範囲: -40°C~100°C(TA)
- パッケージの種類:QFN-32
- パッケージの寸法:5mm x 5mm
- 無鉛
アプリケーション
- ノートブック、タブレット、デスクトップ
- スマートフォン
- パワーバンク
- ドッキングステーション
- モニタ、TV、セットトップボックス
- 家庭用電子機器
- カーチャージャー
- ドッキングステーション
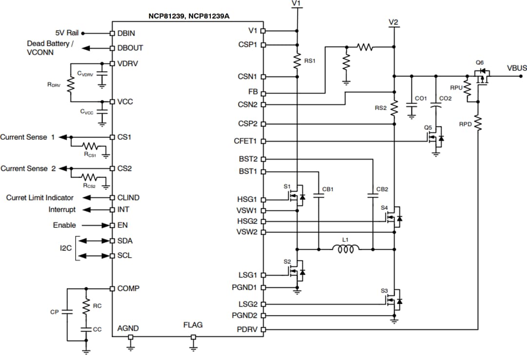
ブロック図
標準アプリケーション回路
パッケージの外形
公開: 2017-03-28
| 更新済み: 2022-03-11
