onsemi NCP81560 8 + 1位相出力コントローラ

Onsemi NCP815608+1 フェーズ出力コントローラは、Intel のIMVP9.1CPU 用に設計された降圧ソリューションです。onsemi NCP81560コントローラは、デュアルエッジ PWM および DCR 電流センシングを使用したデュアル レール、マルチフェーズ レール制御システムを備えており、動的負荷イベントへの迅速な応答とコスト削減を実現します。このアンプには、正確な電流監視を目的とした超低オフセットがあり、プログラム可能なオフセット補償が備わっています。

特徴

  • 高インピーダンス差動出力電圧アンプ
  • 各位相の差動電流センスアンプ
  • プログラム可能な適応型電圧位置決め (AVP)
  • デジタル安定化スイッチング周波数
  • 代表的なアプリケーションにはコンピュータがあります

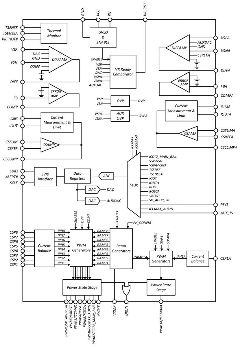
ブロック図

ブロック図 - onsemi NCP81560 8 + 1位相出力コントローラ
公開: 2024-02-14 | 更新済み: 2024-05-02