onsemi NCP81565 6 + 2相出力コントローラ

Onsemi NCP815656+2 フェーズ出力コントローラは、Intel のIMVP9.1CPU 用に設計されたデュアルレール降圧ソリューションです。onsemi NCP81565、多相レール制御システムでデュアルエッジ パルス幅変調 (PWM) と DCR 電流センシングを使用します。これらの機能によって、動的負荷変更に対する高速応答およびシステムコストの低減が保証されます。さらに、このデバイスは、超低オフセット電流モニタアンプが特徴で、正確な電流監視を目的としたプログラム可能なオフセット補償が備わっています。

特徴

  • 高インピーダンス差動出力電圧アンプ
  • 各位相の差動電流センスアンプ
  • プログラム可能な適応型電圧位置決め (AVP)
  • デジタル安定化スイッチング周波数

アプリケーション

  • デスクトップ
  • ノートブック
  • ウルトラブックコンピュータ

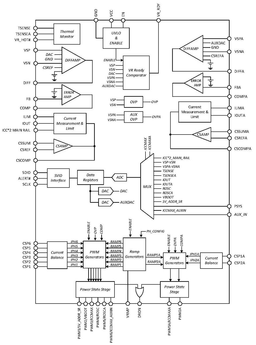
ブロック図

ブロック図 - onsemi NCP81565 6 + 2相出力コントローラ
公開: 2024-02-14 | 更新済み: 2024-09-17