特徴
- 入力電圧範囲4.5V~21V
- 誤ったOVPを回避し、プリチャージされた負荷で起動
- デジタルソフト起動ランプ
- 調整可能Vboot
- 高インピーダンス差動出力電圧アンプ
- IMVP9.2に対応するためのデュアルVIDテーブルサポート
- 大電流拡張に対応
- ダイナミックリファレンスインジェクション
- プログラム可能な出力電圧スルーレート
- ダイナミックVIDフィードフォワード
- 各相差動電流センスアンプ
- プログラム可能適応電圧ポジショニング(AVP)
- 可変スイッチング周波数範囲
- デジタル安定化スイッチング周波数
- 超音波操作
- 音響ノイズ低減機能に対応
- VCCIN_AUX IMON入力に対応
- PSYS入力モニタ
- IntelのIMVP9.2規格に準拠
- 高速な初期応答を実現するための電流モードデュアルエッジ変調(過渡的負荷への対応)
- QFN52パッケージ:6mmx6mm
- 湿度感受レベル(MSL)1
- リードフリー、RoHS準拠
アプリケーション
- デスクトップコンピュータ
- ノートブック
- ウルトラブックコンピュータ
仕様
- VCC 範囲:4.75V〜5.25V
- VIN 電源範囲:4.5V〜21V
- 出力範囲:0.1V~3V
- ESD能力
- 200V、人体モデル
- デバイス帯電モデル750V
- 位相検出タイマ:1.5ms(最小)
- 温度
- 動作ジャンクション範囲:-40°C〜+125°C
- 動作周囲温度範囲:-40°C〜+100°C
- ハンダ付け:+260°C
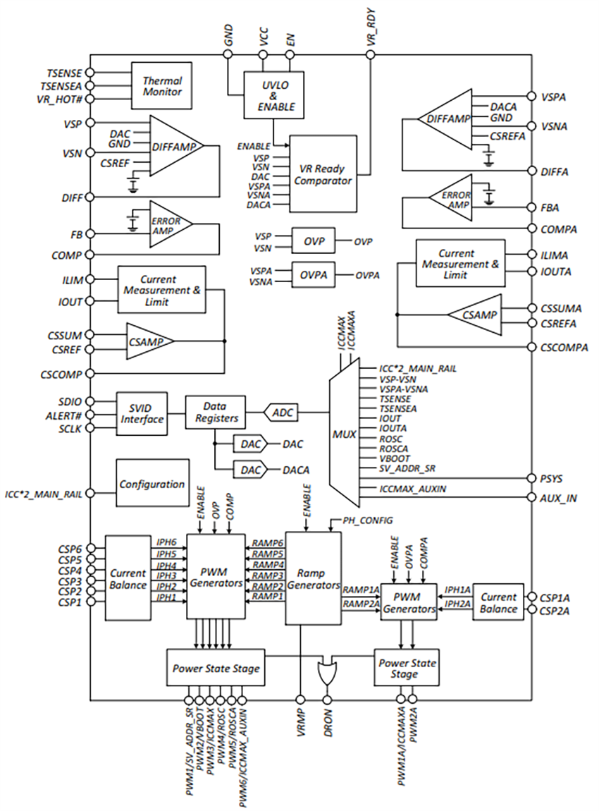
内部ブロック図
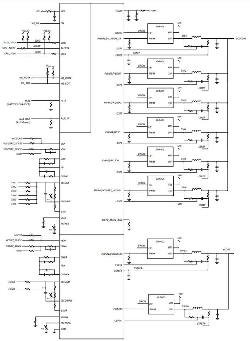
標準アプリケーション回路
公開: 2025-02-26
| 更新済み: 2025-03-05

