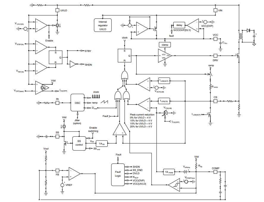
Onsemi NCV12711電流モードPWMコントローラには、プログラマブル・ソフトスタート、入力電圧UVLO保護、過電力保護(OPP)回路が組み込まれており、入力電圧が増加すると回路の総電力容量を制限します。さらに、NCV12711には、サイクル・バイ・サイクルのピーク電流制限を始めとする一連の保護機能が搭載されており、スムーズな周波数増加とタイマベースの過負荷保護が備わっています。すべての保護機能は、1秒の自動回復時間が備わった低自己消費障害モードにコントローラを配置し、障害状態が解除された場合にシステムの回復を可能にします。
特徴
- 広いVCC入力範囲(4V~45V)
- 内部7.5Vレギュレータ
- 調整可能なスロープ補償が備わった電流−モード制御
- 無負荷状態での0%負荷比動作
- 内部過電力保護
- シングル・レジスタ・プログラマブル発振器100kHz~1MHz
- ピーク電流と周波数での調整可能なソフトスタート
- ヒステリシスでのプログラマブル入力電圧UVLO
- 外部で無効にできるシャットダウン閾値
- 30Ms過負荷タイマが搭載された過負荷保護
- 内部オペレーショナル・アンプ
- 1秒の自動回復時間が備わっている故障オートリカバリ・モード
- ±1Aソース/シンク・ゲート・ドライバ
- 固有のサイトと制御変更要件を必要とする車載用およびその他のアプリケーションを対象としたNCVプレフィックス(AEC−Q101認定済でPPAP対応)
アプリケーション
- 電気自動車を対象としたシングルエンド・フライバックと順方向コンバータ
- 補助電源用の車載用4V~45V入力DC/DCコントローラ
ブロック図
アプリケーション図
公開: 2022-08-22
| 更新済み: 2022-10-13

